0
HMC440
  • HMC440

HMC440

RECOMMENDED FOR NEW DESIGNS

SMT 2.8 GHz Integer-N Synthesizer (N = 2 - 32)

Analog Devices HMC440 Product Info

10 February 2026 7

Features

  • Ultra Low SSB Phase Noise Floor:
    -153 dBc/Hz @ 10 kHz offset @ 100 MHz Reference Frequency.
  • Programmable Divider (N= 2-32) Operating up to 2.8 GHz
  • Open Collector Output Buffer Amplifiers for Interfacing w/ Op-Amp Based Loop Filter
  • QSOP16G SMT Package: 29.4 mm²
  • Counter is a key component in low phase nois

Part details & applications

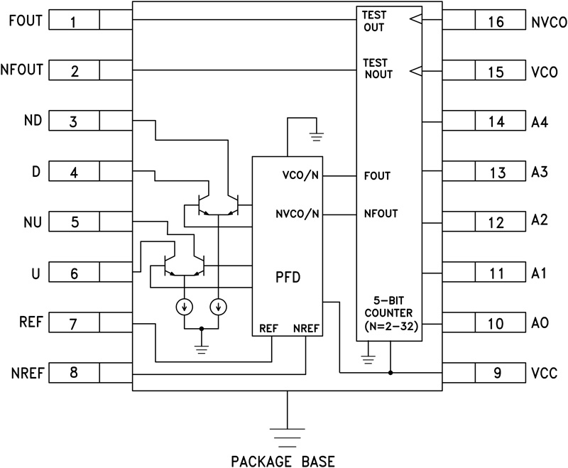
The HMC440QS16G(E) is an integer-n synthesizer that incorporates a 10 to 1300 MHz digital Phase-Frequency Detector with 10 to 2800 MHz 5-Bit frequency counter (continuous division from 2 to 32) in miniature 16 lead QSOP plastic packages. It is intended for use in low phase noise offset-synthesizer app-lications.

The HMC440QS16G(E) combines high frequency operation along with ultra low phase noise floor making possible synthesizers with wide loop bandwidth and low N resulting in fast settling and very low phase noise. When used in conjunction with a differential loop amplifier, the HMC440QS16G(E) generates an output voltage that can be used to phase lock a VCO to a reference oscillator.

Applications

  • Satellite Communication Systems 
  • Point-to-Point Radios 
  • Military Applications 
  • Sonet Clock Generation
  • Test Equipment

Subscribe to Welllinkchips !
Your Name
* Email
Submit a request