0
MAX8877
  • MAX8877

MAX8877

PRODUCTION

Low-Noise, Low-Dropout, 150mA Linear Regulators with '2982 Pinout SOT23 Regulator Saves Space

Analog Devices MAX8877 Product Info

10 February 2026 14

Features

  • Pin-Compatible with the Industry-Standard '2982
  • Low Output Noise: 30µVRMS
  • Low 55mV Dropout at 50mA Output (165mV at 150mA output)
  • Low 85µA No-Load Supply Current
  • Low 100µA Operating Supply Current (even in dropout)
  • Thermal-Overload and Short-Circuit Protection
  • Reverse Battery Protection
  • Output Current Limit
  • Preset Output Voltages (±1.4% Accuracy)
  • 10nA Logic-Controlled Shutdown

Part details & applications

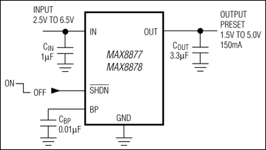
The MAX8877/MAX8878 low-noise, low-dropout linear regulators operate from a 2.5V to 6.5V input and deliver up to 150mA. These devices are pin-compatible with the industry-standard '2982 and offer an improved dropout voltage. Typical output noise is 30µVRMS, and typical dropout is only 165mV at 150mA. The output voltage is preset to voltages in the range of 1.5V to 5.0V, in 100mV increments.

Designed with an internal P-channel MOSFET pass transistor, the MAX8877/MAX8878 maintain a low 100µA supply current, independent of the load current and dropout voltage. Other features include a 10nA logic-controlled shutdown mode, short-circuit and thermal-shutdown protection, and reverse battery protection. The MAX8878 also includes an auto-discharge function, which actively discharges the output voltage to ground when the device is placed in shutdown. Both devices come in regular and thin 5-pin SOT23 package.

Applications

  • Audio Systems
  • Cordless Phones
  • Electronic Planners
  • Handheld Instruments (PDAs, Palmtops)
  • Modems
  • Palmtop Computers
  • PCMCIA Cards
  • PCS Telephones

Subscribe to Welllinkchips !
Your Name
* Email
Submit a request