0
HMC260A-DIE
  • HMC260A-DIE
  • HMC260A-DIE
  • HMC260A-DIE

HMC260A-DIE

PRODUCTION

10 GHz to 26 GHz, GaAs MMIC Fundamental Mixer

Analog Devices HMC260A-DIE Product Info

10 February 2026 9

Features

  • Downconverter
    • Conversion loss
      • 7.5 dB (typical) for 10 GHz to 18 GHz
      • 8.5 dB (typical) for 18 GHz to 26 GHz
    • LO to RF isolation: 40 dB (typical)
    • LO to IF isolation
      • 34 dB (typical) for 10 GHz to 18 GHz
      • 37 dB (typical) for 18 GHz to 26 GHz
    • RF to IF isolation
      • 20 dB (typical) for 10 GHz to 18 GHz
      • 31 dB (typical) for 18 GHz to 26 GHz
    • Input third-order intercept (IP3):
      • 18 dBm (typical) for 10 GHz to 18 GHz
      • 22 dBm (typical) for 18 GHz to 26 GHz
    • Input power for 1 dB compression (P1dB)
      • 9.5 dB (typical) for 10 GHz to 18 GHz
      • 12 dB (typical) for 18 GHz to 26 GHz
  • IF bandwidth: dc to 8 GHz
  • Passive: no dc bias required
  • Small size: 0.94 mm × 0.59 mm × 0.102 mm
 

Part details & applications

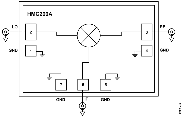
The HMC260A is a general-purpose, double balanced mixer chip that can be used as an upconverter or downconverter from 10 GHz to 26 GHz. This miniature monolithic mixer (MMIC) requires no external components or matching circuitry.

The HMC260A provides excellent LO to RF and LO to IF suppression due to optimized balun structures. The mixer operates well with LO drive levels of 13 dBm or above. The HMC260A is also available in SMT format as the HMC260ALC3B.

Applications

  • Point to point radios
  • Point to multipoint radios and very small aperture terminals (VSATs)
  • Test equipment and sensors
  • Military end use

Subscribe to Welllinkchips !
Your Name
* Email
Submit a request