0
HMC1113
  • HMC1113

HMC1113

RECOMMENDED FOR NEW DESIGNS

GaAs MMIC I/Q Downconverter, 10 - 16 GHz

Analog Devices HMC1113 Product Info

10 February 2026 19

Features

  • Conversion gain: 12 dB
  • Image rejection: 25 dBc
  • LO to RF isolation: 45 dB
  • Noise figure: 1.8 dB
  • IP3: 1 dBm
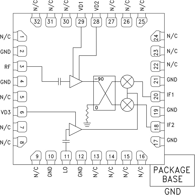
  • 32 lead 5 x 5 mm SMT package

Part details & applications

The HMC1113LP5E is a compact GaAs MMIC I/Q downconverter in a leadless 5 x 5 mm low stress injection molded plastic surface mount package. This device provides a small signal conversion gain of 12 dB with a noise figure of 1.8 dB and 25 dBc of image rejection. The HMC1113LP5E utilizes an LNA followed by an image reject mixer which is driven by an LO buffer amplifier. The image reject mixer eliminates the need for a filter following the LNA, and removes thermal noise at the image frequency. I/Q mixer outputs are provided and an external 90° hybrid is needed to select the required sideband. The HMC1113LP5E is a much smaller alternative to hybrid style image reject mixer downconverter assemblies, and it eliminates the need for wire bonding by allowing the use of surface mount manufacturing techniques.

Applications

  • Point-to-Point & Point-to-Multi-Point Radio
  • Military Radar, EW & ELINT
  • Satellite Communications
  • Maritime & Mobile Radios

Subscribe to Welllinkchips !
Your Name
* Email
Submit a request