0
HMC1097
  • HMC1097

HMC1097

LAST TIME BUY

Wideband Direct Quadrature Modulator, 100 - 6000 MHz

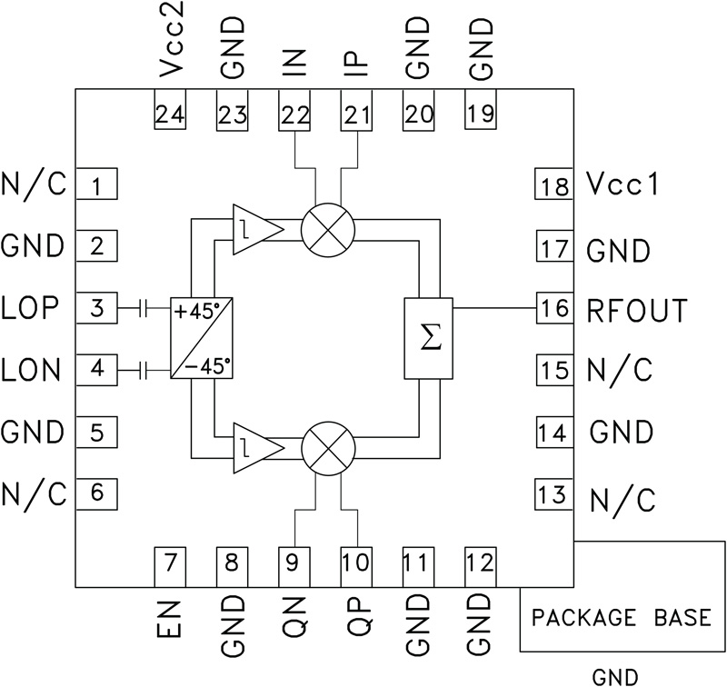
Analog Devices HMC1097 Product Info

10 February 2026 14

Features

  • Very Low Noise Floor, -160 dBm/Hz
  • Excellent Carrier & Sideband Suppression
  • Very High Linearity, +30 dBm OIP3
  • High Output Power, +11 dBm Output P1dB
  • High Modulation Accuracy
  • 24 Lead 4x4 mm QFN Package: 16 mm2

Part details & applications

The HMC1097LP4E is a low noise, high linearity Direct Quadrature Modulator RFIC which is ideal for digital modulation applications from 0.1 to 6.0 GHz including; Cellular/3G, WiMAX/4G, Broadband Wireless Access & ISM circuits. Housed in a compact 4x4 mm (LP4) SMT QFN package, the RFIC requires minimal external components & provides a low cost alternative to more complicated double upconversion architectures. The RF output port is single-ended and matched to 50 Ohms with no external components. The LO requires -6 to +6 dBm and can be driven in either differential or single-ended mode. This device is optimized for a +5V supply, and offers improved carrier feedthrough and sideband suppression characteristics.

APPLICATIONS

  • UMTS, GSM or CDMA Basestations
  • Fixed Wireless or WLL
  • ISM Transceivers, 900 & 2400 MHz
  • GMSK, QPSK, QAM, SSB Modulators
  • Cellular/3G and WiMAX/4G

Subscribe to Welllinkchips !
Your Name
* Email
Submit a request