0
MAX7322
  • MAX7322

MAX7322

PRODUCTION

I²C Port Expander with 4 Push-Pull Outputs and 4 Inputs Low Operating Supply Voltage I²C Port Expander with 4 Push-Pull Outputs and 4 Input Ports

Analog Devices MAX7322 Product Info

10 February 2026 8

Features

  • 400kHz I²C Serial Interface
  • +1.71V to +5.5V Operation Voltage
  • 4 Push-Pull Output Ports Rated at 20mA Sink Current
  • 4 Input Ports with Maskable, Latching Transition Detection
  • Input Ports are Overvoltage Protected to +6V
  • Transient Changes are Latched, Allowing Detection Between Read Operations
  • Active-Low INT Output Alerts Change on Any Selection of Inputs
  • AD0 and AD2 Inputs Select from 16 Slave Addresses
  • Low 0.6µA (typ) Standby Current
  • -40°C to +125°C Operating Temperature Range

Part details & applications

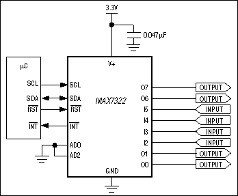
The MAX7322 2-wire serial-interfaced peripheral features four push-pull outputs and four input ports with selectable internal pullups. Input ports are overvoltage protected to +6V and feature transition detection with interrupt output.

The four input ports are continuously monitored for state changes (transition detection). The interrupt is latched, allowing detection of transient changes. Any combination of inputs can be selected using the interrupt mask to assert the open-drain active-low INT output. When the MAX7322 is subsequently accessed through the serial interface, any pending interrupt is cleared.

The four push-pull outputs are rated to sink 20mA, and are capable of driving LEDs.

The active-low RST input clears the serial interface, terminating any I²C communication to or from the MAX7322.

The MAX7322 uses two address inputs with four-level logic to allow 16 I²C slave addresses. The slave address also sets the power-up default logic state for the four output ports, and enables or disables internal 40kΩ pullups for the input ports.

The MAX7322 is one device in a family of pin-compatible port expanders with a choice of input ports, open-drain I/O ports, and push-pull output ports (see Table 1 in the full data sheet).

The MAX7322 is available in 16-pin QSOP and TQFN packages, and is specified over the -40°C to +125°C automotive temperature range.

Applications

  • Cell Phones
  • Notebooks
  • SAN/NAS
  • Satellite Radio
  • Servers

Subscribe to Welllinkchips !
Your Name
* Email
Submit a request