0
HMC-MDB171
  • HMC-MDB171

HMC-MDB171

RECOMMENDED FOR NEW DESIGNS

GaAs MMIC I/Q Mixer 35 - 45 GHz

Analog Devices HMC-MDB171 Product Info

10 February 2026 7

Features

  • Wide IF Bandwidth: DC - 5 GHz
  • High Image Rejection: 25 dB
  • High LO to RF Isolation: 35 dB
  • Passive: No DC Bias Required
  • Die Size: 1.5 × 2.0 × 0.1 mm

Part details & applications

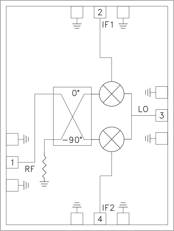
The HMC-MDB171 is a monolithic I/Q Mixer which can be used as either an image reject mixer (IRM) or a single sideband upconverter. This passive MMIC mixer is fabricated with GaAs Heterojunction Bipolar Transistor (HBT) Shottky diode technology. For downconversion applications, an external quadrature hybrid can be used to select the desired sideband while rejecting image signals. All bond pads and the die backside are Ti/Au metallized. The HMC-MDB171 I/Q MMIC Mixer is compatible with conventional die attach methods, as well as thermocompression and thermosonic wire bonding, making it ideal for MCM and hybrid microcircuit applications. All data shown herein is measured with the chip in a 50 Ohm environment and contacted with RF probes.

APPLICATIONS

  • Point-to-Point Radios
  • Test & Measurement Equipment
  • SATCOM
  • Radar

Subscribe to Welllinkchips !
Your Name
* Email
Submit a request