0
HMC-C007
  • HMC-C007

HMC-C007

LAST TIME BUY

InGaP HBT Divide-By-8 Module, 0.5 - 18 GHz

Analog Devices HMC-C007 Product Info

10 February 2026 9

Features

  • Ultra Low SSB Phase Noise: -150 dBc/Hz
  • Very Wide Bandwidth
  • Output Power: -4 dBm
  • Single DC Supply: +5V
  • Hermetically Sealed Module
  • Field Replaceable SMA connectors
  • -55 to +85°C Operating Temperature

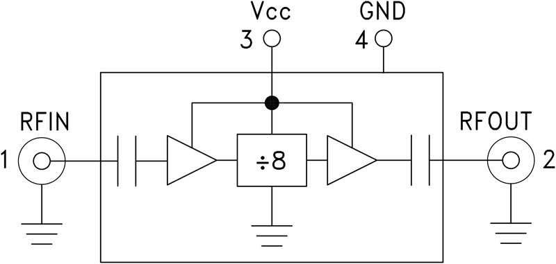
Part details & applications

The HMC-C007 is a low noise Divide-by-8 Static Divider utilizing InGaP GaAs HBT technology packaged in a miniature, hermetic module with replaceable SMA connectors. This device operates from 0.5 to 18 GHz input frequency from a single +5V DC supply. The low additive SSB phase noise of -150 dBc/Hz at 100 kHz offset helps the user maintain excellent system noise performance.

APPLICATIONS

  • Point-to-Point/Multi-Point Radios
  • VSAT Radios
  • Fiber Optic
  • Military & Space
  • Test Equipment

Subscribe to Welllinkchips !
Your Name
* Email
Submit a request