0
DS21Q59
  • DS21Q59

DS21Q59

NOT RECOMMENDED FOR NEW DESIGNS

E1 Quad Transceiver

Analog Devices DS21Q59 Product Info

10 February 2026 8

Features

  • Four Complete E1 (CEPT) PCM-30/ISDN-PRI Transceivers
  • Pin Compatible with the DS21Q50
  • Long-Haul and Short-Haul Line Interfaces
  • 32-Bit or 128-Bit Crystal-Less Jitter Attenuator
  • Frames to FAS, CAS, and CRC4 Formats
  • CAS/CCS Signaling Support
  • 4MHz/8MHz/16MHz Clock Synthesizer
  • Flexible System Clock with Automatic Source Switching on Loss-of-Clock Source
  • Two-Frame Elastic-Store Slip Buffer on the Receive Side
  • Interleaving PCM Bus Operation Up to 16.384MHz
  • Configurable Parallel and Serial Port Operation
  • Detects and Generates Remote and AIS Alarms
  • Fully Independent Transmit and Receive Functionality
  • Four Separate Loopback Functions
  • PRBS Generation/Detection/Error Counting
  • 3.3V Low-Power CMOS
  • Large Counters for Bipolar and Code Violations, CRC4 Codeword Errors, FAS Word Errors, and E Bits
  • Eight Additional User-Configurable Output Pins
  • 100-Pin (14mm) LQFP Package

Part details & applications

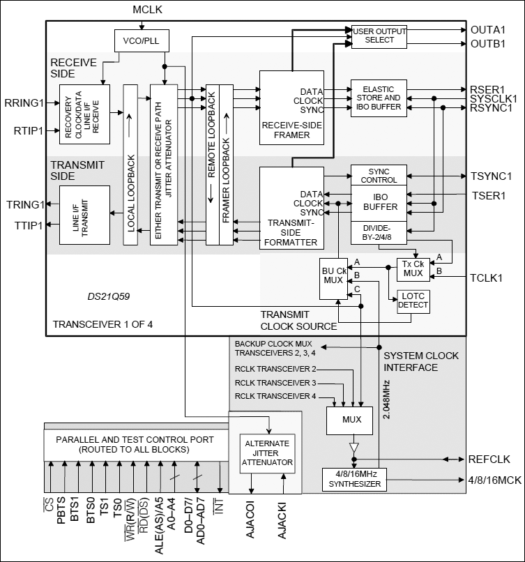
The DS21Q59 E1 quad transceiver contains all the necessary functions for connecting to four E1 lines. The DS21Q59 is a direct replacement for the DS21Q50, with the addition of signaling access and improved interrupt handling. It is composed of a line interface unit, framer, and a TDM backplane interface, and is controlled through an 8-bit parallel port configured for Intel or Motorola bus operations or serial port operation.

Applications

  • DSLAM Backplane
  • IMA and WAN Equipment
  • Routers/Switches

Subscribe to Welllinkchips !
Your Name
* Email
Submit a request