0
ADAR7251
  • ADAR7251
  • ADAR7251

ADAR7251

NOT RECOMMENDED FOR NEW DESIGNS

4-Channel, 16-Bit, Continuous Time Data Acquisition ADC

Analog Devices ADAR7251 Product Info

10 February 2026 8

Features

  • Low noise: 2.4 nV/√Hz input referred voltage noise at maximum gain setting
  • Wide input signal bandwidth: 500 kHz at 1.2 MSPS sample rate, 16-bit resolution
  • Additional sample rates supported: 300 kSPS, 450 kSPS, 600 kSPS, 900 kSPS, and 1.8 MSPS
  • 4 differential simultaneous sampling channels
  • No active antialiasing filter required
  • Selectable equalizer
  • LNA and PGA with 45 dB gain range in 6 dB steps
  • Flexible data port supports serial or parallel mode
  • Supports FSK mode for FMCW radar systems
  • On-chip 1.5 V reference
  • Internal oscillator/PLL input: 16 MHz to 54 MHz High speed serial data interface
  • See datasheet for additional features

Part details & applications

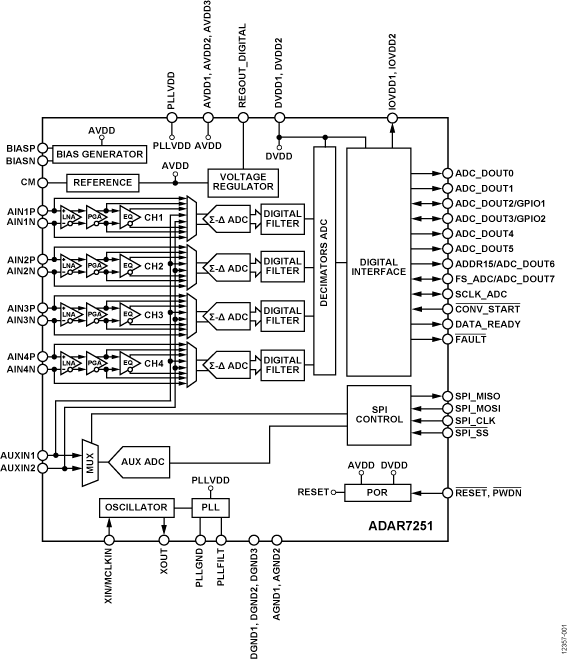
The ADAR7251 is a 16-bit, 4-channel, simultaneous sampling analog-to-digital converter (ADC) designed especially for applications such as automotive LSR-FMCW or FSK-FMCW radar systems. Each of the four channels contains a low noise amplifier (LNA), a programmable gain amplifier (PGA), an equalizer, a multibit Σ-Δ ADC, and a decimation filter.

The front-end circuitry is designed to allow direct connection to an MMIC output with few external passive components. The ADAR7251 eliminates the need for a high order antialiasing filter, driver op amps, and external bipolar supplies. The ADAR7251 also offers precise channel-to-channel drift matching.

The ADAR7251 features an on-chip phase-locked loop (PLL) that allows a range of clock frequencies for flexibility in the system. The CONV_START input and DATA_READY output signals synchronize the ADC with an external ramp for applications such as FSK-FMCW radar.

The ADAR7251 supports serial and parallel interfaces at programmable sample rates from 300 kSPS to 1.8 MSPS, as well as easy connections to digital signal processors (DSPs) and microcontroller units (MCUs) in the system.

APPLICATIONS

  • Automotive LSR systems
  • Data acquisition systems

Subscribe to Welllinkchips !
Your Name
* Email
Submit a request