0
ADV7604
  • ADV7604
  • ADV7604

ADV7604

PRODUCTION

12-Bit, Deep Color HDMI v1.3 Receiver with Analog Interface

Analog Devices ADV7604 Product Info

10 February 2026 9

Features

  • 4 HDMI Inputs
  • HDMI® 1.3 support
    Audio Return Channel (ARC)
    3D TV support
    Content Type Bits
    CEC 1.4-compatible (CEC_CPD and CEC_HPD)
  • Repeater support
  • HDCP 1.3 and DVI 1.0
  • Three 12-bit, 170MHz ADCs
  • 12-channel analog input mux
  • Digitizes RGB graphics up to UXGA
  • Ultralow jitter digital PLL

Part details & applications

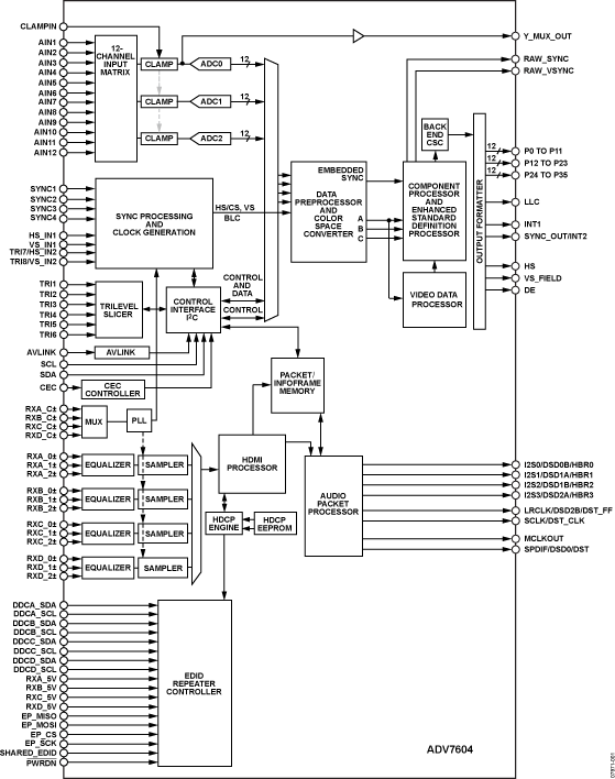
The ADV7604 is a high quality, single chip, multiformat video decoder, graphics digitizer with an integrated 4:1 multiplexed High-Definition Multimedia Interface (HDMI™) receiver.

The ADV7604 contains one main component processor (CP) that processes YPrPb and RGB component formats, including RGB graphics. The CP also processes the video signals from the HDMI receiver. The ADV7604 can operate in quad HDMI and analog input mode, thus providing simultaneous HDMI and analog video sync processing. This allows for fast switching between HDMI and the ADCs.

The ADV7604 supports the decoding of a component RGB/ YPrPb video signal into a digital YCrCb or RGB pixel output stream. The support for component video includes 525i, 625i, 525p, 625p, 720p, 1080i, 1080p, and 1250i standards as well as many other HD and SMPTE standards.

Graphics digitization is also supported by the ADV7604. The ADV7604 is capable of digitizing RGB graphics signals from VGA to UXGA rates and converting them into a digital RGB or YCrCb pixel output stream.

The ADV7604 incorporates a quad input HDMI receiver that supports all HDTV formats up to 1080p and display resolutions up to UXGA (1600 × 1200 at 60 Hz). The reception of encrypted video is possible with the inclusion of HDCP. The HDMI receiver also includes programmable/adaptive equalization that ensures robust operation of the interface with cable lengths up to 30 meters. The HDMI receiver has advanced audio functionality, such as a mute controller that prevents audible extraneous noise in the audio output.

Fabricated in an advanced CMOS process, the ADV7604 is provided in a space-saving, 260-ball, 15 mm × 15 mm, BGA surface-mount, RoHS-compliant package and is specified over the −40°C to +70°C temperature range.

Applications

  • Advanced TV
    • PDP HDTVs
    • LCD TVs (HDTV ready)
Subscribe to Welllinkchips !
Your Name
* Email
Submit a request