0
ADRF6755
  • ADRF6755
  • ADRF6755

ADRF6755

RECOMMENDED FOR NEW DESIGNS

100 MH z TO 2400 MH z I/Q Modulator with Integrated Fractional-N PLL and VCO

Analog Devices ADRF6755 Product Info

10 February 2026 5

Features

  • I/Q modulator with integrated fractional-N PLL and VCO
  • Gain control span: 47 dB in 1 dB steps
  • Output frequency range: 100 MHz to 2400 MHz
  • Output IP3: 20.5 dBm at LO = 1800 MHz
  • Noise floor: −161 dBm/Hz at LO = 1800 MHz
  • Baseband modulation bandwidth: 600 MHz (3 dB)
  • See datasheet for additional features

Part details & applications

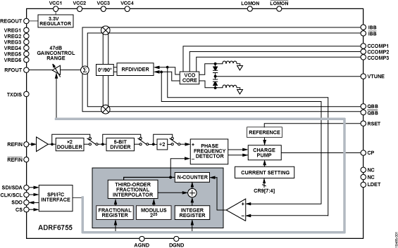
The ADRF6755 is a highly integrated quadrature modulator, frequency synthesizer, and programmable attenuator. The device covers an operating frequency range from 100 MHz to 2400 MHz for use in satellite, cellular, and broadband communications.

The ADRF6755 modulator includes a high modulus, fractional-N frequency synthesizer with integrated VCO, providing less than 1 Hz frequency resolution, and a 47 dB digitally controlled output attenuator with 1 dB steps.

Control of all the on-chip registers is through a user-selected SPI interface or I2C interface. The device operates from a single power supply ranging from 4.75 V to 5.25 V.

Subscribe to Welllinkchips !
Your Name
* Email
Submit a request