0
ADPL16000
  • ADPL16000
  • ADPL16000
  • ADPL16000
  • ADPL16000

ADPL16000

PRODUCTION

60V, 400mA, Ultra-Small, Hi gh-Efficiency, Synchronous Step-Down DC-DC Converters Industry’s Smallest High-Voltage Synchronous Buck Regulator

Analog Devices ADPL16000 Product Info

10 February 2026 6

Features

  • Eliminates External Components and Reduces Total Cost
    • No Schottky—Synchronous Operation for High Efficiency and Reduced Cost
    • Internal Compensation
    • Internal Feedback Divider for Fixed 3.3V, 5V Output Voltages
    • Internal Soft-Start 
    • All Ceramic Capacitors, Ultra-Compact Layout
  • Flexibility to Support Multiple Rails in a System
    • Wide 4.5V to 60V Input Voltage Range
    • Fixed 3.3V and 5V Output Voltage Options
    • Adjustable 0.9V to 0.89 x VIN Output Voltage Option
    • Delivers up to 400mA Load Current
    • Configurable Between PFM and Forced-PWM Modes
  • Reduces Power Dissipation
    • 92% Peak Efficiency
    • PFM Feature for High Light-Load Efficiency
    • 2.2μA (typ) Shutdown Current
  • Operates Reliably in Adverse Industrial Environments
    • Hiccup-Mode Current Limit and Auto-retry Startup
    • Built-In Output Voltage Monitoring with Open-Drain RESET Pin
    • Programmable EN/UVLO Threshold
    • Monotonic Startup into Prebiased Output
    • Overtemperature Protection 
    • Wide -40°C to +125°C Ambient Operating Temperature Range and -40°C to +150°C Junction Temperature Range
    • Complies with CISPR32 (EN55032) Class B Conducted and Radiated Emissions

Part details & applications

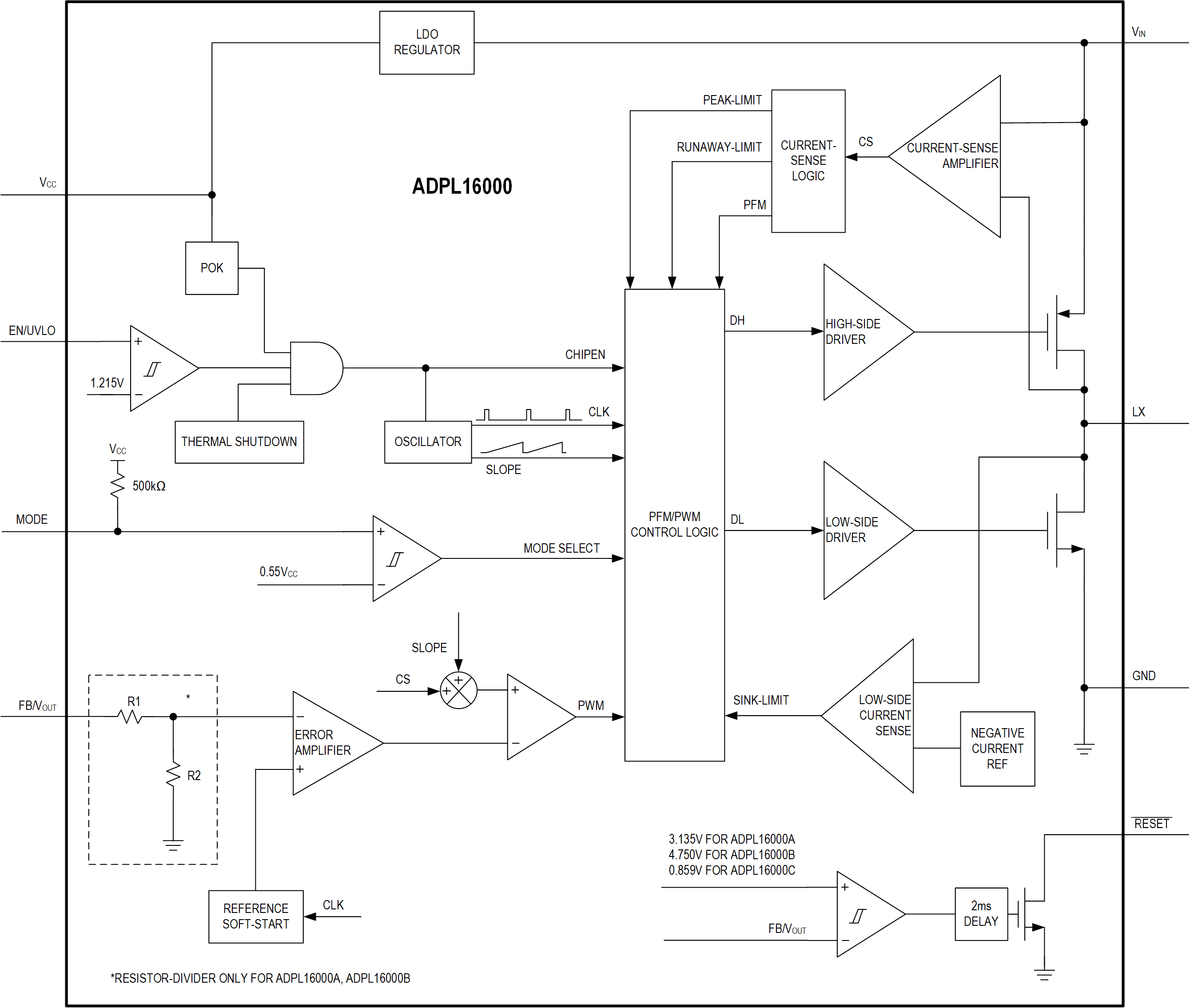
The ADPL16000 family of products are high-efficiency, high-voltage, synchronous DC-DC converters with integrated MOSFETs operating over a wide input-voltage range of 4.5V to 60V.

The converters can deliver up to 400mA and generate output voltages from 0.9V to 0.89 x VIN; ADPL16000A is fixed at 3.3V, ADPL16000B is fixed at 5.0V, and ADPL16000C is adjustable. The family of converters is available in a compact, 8-pin, 2mm x 2mm TDFN-CU package.

The device employs a peak-current-mode control architecture with a MODE pin that can be used to operate the device in pulse-width modulation (PWM) or pulse-frequency modulation (PFM) control schemes. PWM operation provides constant frequency operation at all loads and is useful in applications sensitive to variable switching frequency. PFM operation disables negative inductor current, and additionally skips pulses at light loads for high-efficiency. The low-resistance on-chip MOSFETs ensure high-efficiency at full load and simplify the PCB layout.

APPLICATIONS

  • Industrial Sensors
  • 4–20mA Current Loops
  • HVAC and Building Control
  • High-Voltage LDO Replacement
  • General Purpose Point-of-Load

Subscribe to Welllinkchips !
Your Name
* Email
Submit a request