0
ADP1710
  • ADP1710
  • ADP1710
  • ADP1710
  • ADP1710

ADP1710

PRODUCTION

150 mA, Low Dropout, CMOS Linear Regulator

Analog Devices ADP1710 Product Info

10 February 2026 9

Features

  • Maximum output current: 150 mA
  • Input voltage range: 2.5 V to 5.5 V
  • Light load efficient IGND = 35 μA with zero load IGND = 40 μA with 100 μA load
  • Low shutdown current: <1 μA
  • Low dropout voltage: 150 mV @ 150 mA load
  • Initial accuracy: ±1%
  • Accuracy over line, load, and temperature: ±2%
  • Stable with small 1 μF ceramic output capacitor
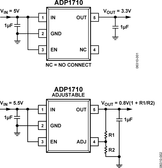
  • 16 fixed output voltage options: 0.75 V to 3.3 V (ADP1710)
  • Adjustable output voltage option: 0.8 V to 5.0 V (ADP1710 Adjustable)
  • 16 fixed output voltage options with reference bypass: 0.75 V to 3.3 V (ADP1711)
  • High PSRR: 69 dB @ 1 kHz

Part details & applications

The ADP1710 / ADP1711 are low dropout linear regulators that operate from 2.5 V to 5.5 V and provide up to 150 mA of output current. Utilizing a novel scaling architecture, ground current drawn is a very low 40 μA, when driving a 100 μA load, making the ADP1710/ADP1711 ideal for battery-operated portable equipment.

The ADP1710 and the ADP1711 are each available in sixteen fixed output voltage options. The ADP1710 is also available in an adjustable version, which allows output voltages that range from 0.8 V to 5 V via an external divider. The ADP1711 allows for a reference bypass capacitor to be connected, which reduces output voltage noise and improves power supply rejection.

The ADP1710 / ADP1711 are optimized for stable operation with small 1 μF ceramic output capacitors, allowing for good transient performance while occupying minimal board space. An enable pin controls the output voltage on both devices. There is also an under-voltage lockout circuit on both devices, which disables the regulator if IN drops below a minimum threshold.

An internal soft start gives a typical start-up time of 80 μs. Short-circuit protection and thermal overload protection circuits prevent damage to the devices in adverse conditions. Both the ADP1710 and the ADP1711 are available in tiny 5 lead TSOT packages, for the smallest footprint solution to all your power needs.

APPLICATIONS

  • Mobile phones
  • Digital camera and audio devices
  • Portable and battery-powered equipment
  • Post dc-dc regulation

Subscribe to Welllinkchips !
Your Name
* Email
Submit a request