0
ADN2830
  • ADN2830

ADN2830

NOT RECOMMENDED FOR NEW DESIGNS

Average Power Controller for Continuous Wave (CW) Laser

Analog Devices ADN2830 Product Info

10 February 2026 7

Features

  • Bias Current Range 4 mA to 200 mA
  • Monitor Photodiode Current 50 µA to 1200 µA
  • Closed-loop Control of Average Power
  • Laser Fail and Laser Degrade Alarms
  • Automatic Laser Shutdown (ALS)
  • Current parameter monitoring
  • −40°C to +85°C Temperature Range

Part details & applications

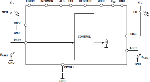
The ADN2830 provides closed loop control of the average optical power of a continuous wave (CW) laser diode (LD) after initial factory setup. The control loop adjusts the laser IBIAS to maintain a constant Back Facet Monitor Photo Diode (MPD) current and hence a constant laser optical power. The external PSET resistor is adjusted during factory set up to set the desired optical power. RPSET is set at 1.23/IAV, where IAV is the MPD current corresponding to the desired optical power. Programmable alarms are provided for laser fail (end of life) and laser degrade (impending fail).

The ADN2830 operates from a single power +5 V supply. It is available in 5mm × 5mm LFCSP-32 Lead Frame Chip Scale.

Subscribe to Welllinkchips !
Your Name
* Email
Submit a request