0
ADM489A
  • ADM489A
  • ADM489A

ADM489A

PRODUCTION

5 V, Slew-Rate Limited, Low Power, 250 kbps, Full Duplex EIA RS-485 Transceiver (with DE/RE)

Analog Devices ADM489A Product Info

10 February 2026 8

Features

  • Complies with ANSI TIA/EIA-485-A-1998 and ISO 8482: 1987(E)
  • 250 kbps data rate
  • Single 5 V ± 10% supply
  • −7 V to +12 V bus common-mode range
  • Connect up to 32 nodes on the bus
  • Reduced slew rate for low EM interference
  • Short-circuit protection
  • 30 μA supply current

Part details & applications

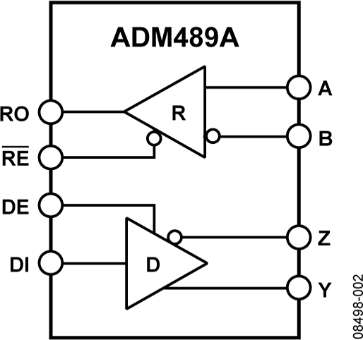
The ADM488A and ADM489A are low power, differential line transceivers suitable for communication on multipoint bus transmission lines. They are intended for balanced data transmission and comply with both RS-485 and RS-422 standards of the Electronics Industries Association (EIA). Both products contain a single differential line driver and a single differential line receiver, making them suitable for full-duplex data transfer. The ADM489A contains an additional receiver and driver enable control.

The input impedance is 12 kΩ, allowing 32 transceivers to be connected on the bus. The ADM488A/ADM489A operate from a single 5 V ± 10% power supply.

Excessive power dissipation that is caused by bus contention or output shorting is prevented by a thermal shutdown circuit. This feature forces the driver output into a high impedance state if, during fault conditions, a significant temperature increase is detected in the internal driver circuitry. The receiver contains a fail-safe feature that results in a logic high output state if the inputs are unconnected (floating).

The ADM488A/ADM489A are fabricated on BiCMOS, an advanced mixed technology process combining low power CMOS with fast switching bipolar technology.

The ADM488A/ADM489A are fully specified over the industrial temperature range and are available in SOIC and MSOP packages.

Applications
  • Low power RS-485 and RS-422 systems
  • DTE-DCE interface
  • Packet switching
  • Local area networks
  • Data concentration
  • Data multiplexers
  • Integrated services digital network (ISDN)

Subscribe to Welllinkchips !
Your Name
* Email
Submit a request