0
ADM483E
  • ADM483E
  • ADM483E

ADM483E

PRODUCTION

5 V, ±15 kV ESD Protected, Slew Rate Limited, Low Power, Half Duplex RS-485/RS-422 Transceiver

Analog Devices ADM483E Product Info

10 February 2026 10

Features

  • ±15 kV ESD protection
  • 250 kbps data rate
  • Reduced slew rate for low EM interference
  • Single 5 V ± 10% supply
  • −7 V to +12 V bus common-mode range
  • Up to 32 nodes on the bus
  • Receiver open-circuit, fail-safe design
  • Short-circuit protection
  • 36 μA supply current
  • 0.1 μA shutdown current

Part details & applications

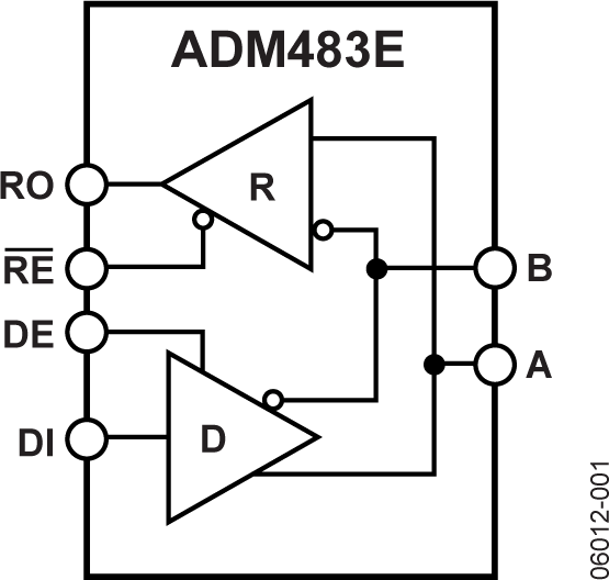
The ADM483E is a 5 V, low power data transceiver with ±15 kV ESD protection suitable for half-duplex communication on multipoint bus transmission lines. The ADM483E is designed for balanced data transmission and complies with TIA/EIA Standards RS-485 and RS-422, which allow up to 32 transceivers on a bus.

The ADM483E has a low current shutdown mode in which it consumes only 0.1 μA.

Because only one driver is enabled at any time, the output of a disabled or power-down driver is three-stated to avoid overloading the bus.

Drivers are short-circuit current-limited and are protected against excessive power dissipation by thermal shutdown circuitry that places their outputs into a high impedance state. The receiver input has a fail-safe feature that guarantees a logic high output if the input is open circuit.

The ADM483E is fully specified over the industrial temperature ranges and is available in 8-lead SOIC_N packages.

APPLICATIONS

  • Low power RS-485 systems
  • Electrically harsh environments
  • EMI sensitive applications
  • DTE-DCE interface
  • Packet switching
  • Local area networks

Subscribe to Welllinkchips !
Your Name
* Email
Submit a request