0
ADM1186
  • ADM1186

ADM1186

PRODUCTION

Quad Voltage Sequencer and Monitor with Programmable Timing

Analog Devices ADM1186 Product Info

10 February 2026 6

Features

  • Monitors four supplies via 0.8% accurate comparators
  • Digital core supports up and down supply sequencing and multiple devices may be cascaded (ADM1186-1)
  • Four inputs can be programmed to monitor different voltage levels with resistor dividers
  • Powered from 2.7 V to 5.5 V on the VCC pin
  • Supply sequencing time delays and a timeout delay to 5% accuracy
  • Four open-drain enable outputs
  • Open-drain power-good output
  • Open-drain sequence complete and bi-directional open-drain Fault pin (ADM1186-1)

Part details & applications

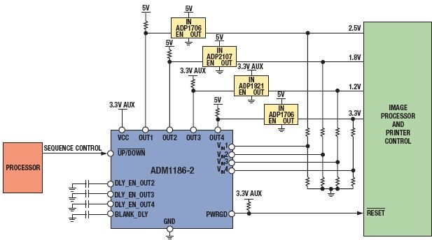
The ADM1186-1 and ADM1186-2 are integrated, four-channel, voltage monitoring and sequencing devices. A 2.7 V to 5.5 V power supply is required on the VCC pin for power.

Four precision comparators monitor four voltage rails, with all comparators sharing a 0.6 V reference and a worst-case accuracy of 0.8%. Resistor networks that are external to the VIN1, VIN2, VIN3, and VIN4 pins set the Under Voltage (UV) trip points for the monitored supply rails.

The ADM1186-1 and ADM1186-2 have four open drain enable outputs, OUTx, that are used to enable power supplies. An open drain power good output, PWRGD, is provided that indicates the four VINx inputs are above their UV thresholds.

A state machine monitors the state of the UP and DOWN pins on the ADM1186-1 or the UP/overbar: DOWN pin on the ADM1186-2 to control the supply sequencing direction. In the ‘Wait Start’ state, a rising edge transition on the UP or UP/DOWN pin triggers a power-up sequence. A falling edge transition on the DOWN or UP/DOWN pin in the ‘Power Up Done’ state triggers a power down sequence.

During a power up sequence, the state machine enables each power supply in turn. The supply output voltage is monitored to determine if it rises above the UV threshold level within a user defined duration called the blanking time. If a supply rises above the UV threshold then the next enable output in the sequence is turned on. In addition to the blanking time a user may also define sequencing time delays between each enable output turning on. When all four enable outputs are on, and the four VINx pins are above their UV trip points the power up sequence is complete. The ADM1186-1 provides an open drain pin,

Subscribe to Welllinkchips !
Your Name
* Email
Submit a request