0
ADM1060
  • ADM1060

ADM1060

PRODUCTION

Multi Power Supply Sequencer & Supervisor

Analog Devices ADM1060 Product Info

10 February 2026 6

Features

  • Faults detected on 7 independent supplies
  • 1 High Voltage supply (up to 14.4V)
  • Programmable logic block—combinatorial and sequencing logic control of all inputs and outputs
  • 9 programmable output drivers:
    - Open collector (external resistor required)
    - Open collector with internal pull-up to VDD
    - Fast internal pull-up to VDD
    - Open collector with internal pull-up to VPn
    - Fast internal pull-up to VPn
    - Internally charge-pumped high drive (for use with external N-channel FETs—PDOs 1 to 4 only)
  • 4 Positive Voltage Only Supplies (up to 6V)
  • 2 Positive/Negative Voltage supplies (up to +6V OR down to -6V)
  • Watchdog Detector Input- Timeout delay programmable from 200ms to 12.8sec
  • 4 General Purpose Logic Inputs
  • 4 general-purpose logic inputs
  • EEPROM—256 bytes of user EEPROM
  • Industry-standard 2-wire bus interface (SMBus)
  • Guaranteed PDO low with VPn, VH = 1 V

Part details & applications

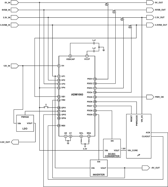
The ADM1060 is a programmable supervisory/sequencing device that offers a single chip solution for multiple power supply fault detection and sequencing in communications systems.

In central offices, servers, and other infrastructure systems, a common backplane dc supply is reduced to multiple board supplies using dc-to-dc converters. These multiple supplies are used to power different sections of the board, such as 3.3 V logic circuits, 5 V logic circuits, DSP core, and DSP I/O circuits. There is usually a requirement that certain sections power up before others; for example, a DSP core may need to power up before the DSP I/O, or vice versa, to avoid damage, miscommunication, or latch-up. The ADM1060 facilitates this, providing supply fault detection and sequencing/combinatorial logic for up to seven independent supplies. The seven supply fault detectors consist of one high voltage detector (up to +14.4 V), two bipolar voltage detectors (up to +6 V or down to −6 V), and four positive low voltage detectors (up to +6 V). All of the detectors can be programmed to detect undervoltage, overvoltage, or out-ofwindow (undervoltage or overvoltage) conditions. The inputs to these supply fault detectors are via the VH (high voltage) pin, VBn (positive or negative) pins, and VPn (positive only) pins. Either the VH supply or one of the VPn supplies is used to power the ADM1060 (whichever is highest). This ensures that in the event of a supply failure, the ADM1060 is kept alive for as long as possible, thus enabling a reliable fault flag to be asserted and the system to be powered down in an ordered fashion.

Other inputs to the ADM1060 include a watchdog detector (WDI) and four general-purpose inputs (GPIn). The watchdog detector can be used to monitor a processor clock. If the clock does not toggle (transition from low to high or from high to low) within a programmable timeout p

Subscribe to Welllinkchips !
Your Name
* Email
Submit a request