0
ADH576S
  • ADH576S

ADH576S

RECOMMENDED FOR NEW DESIGNS

Aerospace, GaAs, MMIC, x2 Active Multiplier Chip, 18 GHz to 29 GHz Fout

Analog Devices ADH576S Product Info

10 February 2026 9

Features

  • High Output Power: +17 dBm
  • Low Input Power Drive: - 2 dBm to +6 dBm
  • Fo Isolation: > 20 dBc @ Fout = 24 GHz
  • 100 kHz SSB Phase Noise: -132 dBc/Hz
  • Single Supply: +5 V @ 82 mA
  • Die Size: 1.11 mm X 1.16 mm X 0.1 mm
  • Screened in accordance with MIL-PRF-38534, Class K  

Part details & applications

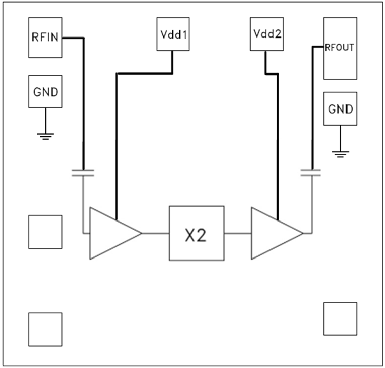
The ADH576S die is a x2 active broadband frequency multiplier utilizing GaAs PHEMT technology. When driven by a +3 dBm signal, the multiplier provides +17 dBm typical output power from 18 GHz to 29 GHz. The Fo and 3Fo isolations are >20 dBc and >30 dBc respectively at 24 GHz. The ADH576S is ideal for use in LO multiplier chains for Pt to Pt & VSAT Radios yielding reduced parts count vs. traditional approaches. The low additive SSB Phase Noise of -132 dBc/Hz at 100 kHz offset helps maintain good system noise performance.

Applications

  • Clock Generation
  • Point-to-point Radios
  • Instrumentation
  • Military & Space

Subscribe to Welllinkchips !
Your Name
* Email
Submit a request