0
ADH424S
  • ADH424S
  • ADH424S

ADH424S

PRODUCTION

MMIC Digital Attenuator

Analog Devices ADH424S Product Info

10 February 2026 10

Features

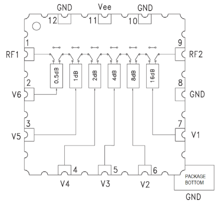
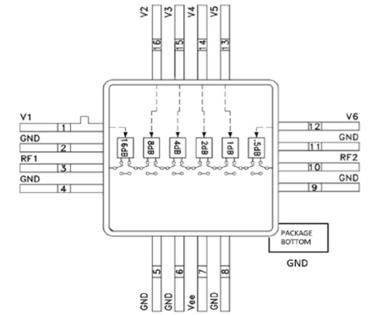
  • 0.5 dB LSB Steps to 31.5 dB
  • Single Control Line Per Bit
  • ±0.5 dB Typical Bit Error

Part details & applications

The ADH424S is a broadband 6-bit GaAs IC digital attenuator supplied in die form with Class K element evaluation. Covering DC to 13 GHz, the insertion loss is less then 4 dB typical. The attenuator bit values are 0.5 (LSB), 1, 2, 4, 8, and 16 dB for a total attenuation of 31.5 dB. Attenuation accuracy is excellent at ± 0.5 dB typical step error with an IIP3 of +38 dBm. Six control voltage inputs, toggled between 0 and -5V, are used to select each attenuation state. A single Vee bias of -5V allows operation at frequencies down to DC.

APPLICATIONS

  • Military & Space
  • Transceivers
  • Test Equipment & Sensors

Subscribe to Welllinkchips !
Your Name
* Email
Submit a request