0
ADH363S
  • ADH363S

ADH363S

RECOMMENDED FOR NEW DESIGNS

Space DC to 12 GHz Divide-by-8

Analog Devices ADH363S Product Info

10 February 2026 9

Features

  • Ultra-Low SSB Phase Noise: -153 dBc/Hz
  • Wide Bandwidth
  • Output Power: 4 dBm
  • Single DC Supply: +5V
  • 8 Lead Hermetic SMT Package

Part details & applications

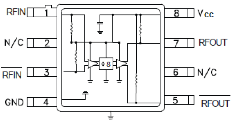
The ADH363S is a low noise N = 8 static divider in an 8-lead glass/metal surface mount (hermetic) package. This device operates from DC (with a square wave input) to 12 GHz input frequency with a single +5V DC supply. The low additive SSB phase noise of -153 dBc/Hz at 100 kHz offset helps the user maintain good system noise performance.

APPLICATIONS

  • Point-to-Point / Multi-Point Radios
  • VSAT Radio
  • Fiber Optic
  • Space & Military

Subscribe to Welllinkchips !
Your Name
* Email
Submit a request