0
ADG722
  • ADG722
  • ADG722
  • ADG722
  • ADG722
  • ADG722
  • ADG722
  • ADG722

ADG722

PRODUCTION

CMOS, Low Voltage, 4 Ω Dual SPST Switch in 3 mm × 2 mm LFCSP

Analog Devices ADG722 Product Info

10 February 2026 11

Features

  • 1.8 V to 5.5 V single supply
  • Low on resistance flatness
  • −3 dB bandwidth
  • >200 MHz
  • Tiny package options
    8-lead MSOP 
    3 mm × 2 mm LFCSP (A grade)
  • 4 Ω (max) on resistance
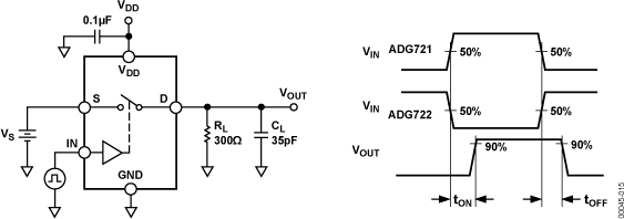
  • Fast switching times 
    TON, 20 ns
    TOFF, 10 ns
  • Low power consumption (<0.1 μW)
  • TTL/CMOS compatible

Part details & applications

The ADG721, ADG722, and ADG723 are monolithic CMOS SPST switches. These switches are designed on an advanced submicron process that provides low power dissipation yet gives high switching speed, low on resistance, and low leakage currents. The devices are packaged in both a tiny 3 mm × 2 mm LFCSP and an MSOP, making them ideal for space-constrained applications.

The ADG721, ADG722, and ADG723 are designed to operate from a single 1.8 V to 5.5 V supply, making them ideal for use in battery-powered instruments and with the new generation of DACs and ADCs from Analog Devices, Inc.

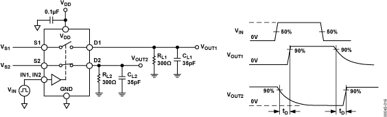
The ADG721, ADG722, and ADG723 contain two independent single-pole/single-throw (SPST) switches. The ADG721 and ADG722 differ only in that both switches are normally open and normally closed, respectively. In the ADG723, Switch 1 is normally open and Switch 2 is normally closed.

Each switch of the ADG721, ADG722, and ADG723 conducts equally well in both directions when on. The ADG723 exhibits break-before-make switching action.

PRODUCT HIGHLIGHTS

  1. 1.8 V to 5.5 V single-supply operation.
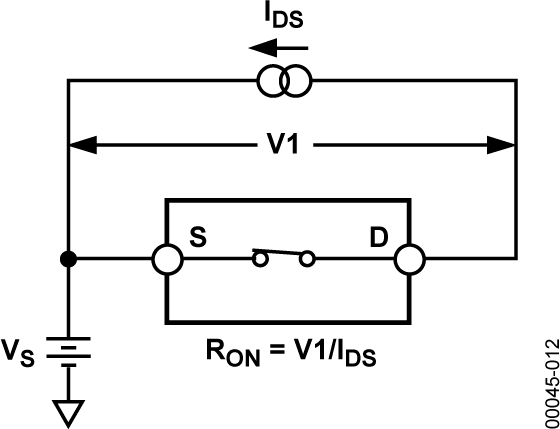
  2. Very low RON (4 Ω max at 5 V, 10 Ω max at 3 V).
  3. Low on resistance flatness.
  4. −3 dB bandwidth >200 MHz.
  5. Low power dissipation. CMOS construction ensures low power dissipation.
  6. 8-lead MSOP and 3 mm × 2 mm LFCSP.

APPLICATIONS

  • USB 1.1 signal switching circuits
  • Cell phones
  • PDAs
  • Battery-powered systems
  • Communication systems
  • Sample hold systems
  • Audio signal routing
  • Video switching
  • Mechanical reed relay replacement

Subscribe to Welllinkchips !
Your Name
* Email
Submit a request