0
ADG609
  • ADG609

ADG609

PRODUCTION

LC2MOS, ± 5 V, 4-Channel High Performance Analog Multiplexer

Analog Devices ADG609 Product Info

10 February 2026 17

Features

  • +3 V, +5 V, ±5 V Power Supplies
  • VSS to VDD Analog Signal Range
  • Low On-Resistance (30 O max)
  • Fast Switching Times
    ton 75 ns max
    toff 45 ns max
  • Low Power Dissipation (1.5µW max)
  • Break-Before-Make Switching Action
  • ESD > 5000V as per Military 
  • Standard 3015.7
  • TTL/CMOS Compatible
  • 16-Lead DIP/SOIC/TSSOP Packages

Part details & applications

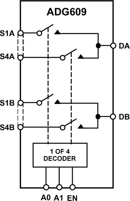
The ADG609 is a monolithic CMOS analog multiplexer comprising four differential channels. The ADG609 switches one of four differential inputs to a common differential output as determined by the 2-bit binary address lines A0 and A1. An EN input on both devices is used to enable or disable the device. When disabled, all channels are switched OFF.

The ADG609 is designed on an enhanced LC2 MOS process which provides low power dissipation yet gives high switching speed and low on resistance. Each channel conducts equally well in both directions when ON and has an input signal range which extends to the supplies. In the OFF condition, signal levels up to the supplies are blocked. All channels exhibit break before make switching action preventing momentary shorting when switching channels. Inherent in the design is low charge injection for minimum transients when switching the digital inputs.

Subscribe to Welllinkchips !
Your Name
* Email
Submit a request