0
ADG409
  • ADG409
  • ADG409

ADG409

PRODUCTION

LC2MOS ±15 V 4 Channel High Performance Analog Multiplexer

Analog Devices ADG409 Product Info

10 February 2026 10

Features

  • 44 V supply maximum ratings
  • VSS to VDD analog signal range
  • Low on resistance (100 Ω maximum)
  • Low power (ISUPPLY < 75 µA)
  • Fast switching
  • Break-before-make switching action
  • Plug-in replacement for DG408

Part details & applications

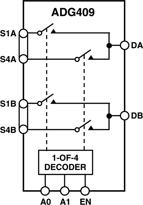
The ADG409 is a monolithic CMOS analog multiplexer comprising four differential channels. The ADG409 switches one of four differential inputs to a common differential output as determined by the 2-bit binary address lines A0 and A1. An EN input on the device is used to enable or disable the device. When disabled, all channels are switched OFF.

The ADG409 is designed on an enhanced LC2MOS process which provides low power dissipation yet gives high switching speed and low on resistance. Each channel conducts equally well in both directions when ON and has an input signal range which extends to the supplies. In the OFF condition, signal levels up to the supplies are blocked. All channels exhibit break before make switching action preventing momentary shorting when switching channels. Inherent in the design is low charge injection for minimum transients when switching the digital inputs.

The ADG409 is an improved replacement for the DG409 analog multiplexer.

Applications

  • Audio and video routing
  • Automatic test equipment
  • Data acquisition systems
  • Battery-powered systems
  • Sample-and-hold systems
  • Communication systems

Subscribe to Welllinkchips !
Your Name
* Email
Submit a request