0
ADF4360-9
  • ADF4360-9
  • ADF4360-9

ADF4360-9

PRODUCTION

Clock Generator PLL with Integrated VCO

Analog Devices ADF4360-9 Product Info

10 February 2026 7

Features

  • Primary output frequency range: 65 MHz to 400 MHz
  • Auxiliary divider from 2 to 31, output from 1.1 MHz to 200 MHz
  • 3.0 V to 3.6 V power supply
  • 1.8 V logic compatibility
  • Integer-N synthesizer
  • Programmable output power level
  • 3-wire serial interface
  • Digital lock detect
  • Software power-down mode

Part details & applications

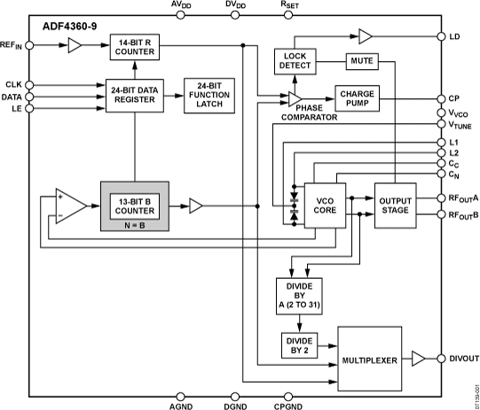
The ADF4360-9 is an integrated integer-N synthesizer and voltage controlled oscillator (VCO). The ADF4360-9 center frequency is set by external inductors. This allows a VCO frequency range of between 65 MHz and 400 MHz.

An additional divider stage allows division of the VCO signal. The CMOS level output is equivalent to the VCO signal divided by integer value between 2 and 31. This divided signal can be further divided by two if desired.

Control of all the on-chip registers is through a simple 3-wire interface. The device operates with a power supply ranging from 3.0 V to 3.6 V and can be powered down when not in use.

Applications

  • System clock generation
  • Test equipment
  • Wireless LANs
  • CATV equipment
  • Data Sheet, Rev. A, 3/08

    Subscribe to Welllinkchips !
    Your Name
    * Email
    Submit a request