0
ADCLK950
  • ADCLK950
  • ADCLK950

ADCLK950

RECOMMENDED FOR NEW DESIGNS

Two Selectable Inputs, 10 LVPECL Outputs, SiGe Clock Fanout Buffer

Analog Devices ADCLK950 Product Info

10 February 2026 7

Features

  • 2 selectable differential inputs
  • 4.8 GHz operating frequency
  • 75 fs rms broadband random jitter
  • On-chip input terminations
  • 3.3 V power supply

Part details & applications

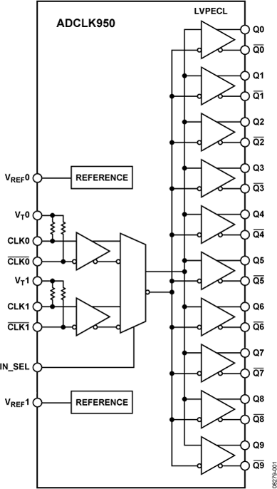
The ADCLK950 is an ultrafast clock fanout buffer fabricated on the Analog Devices, Inc., proprietary XFCB3 silicon germanium (SiGe) bipolar process. This device is designed for high speed applications requiring low jitter.

The device has two selectable differential inputs via the IN_SEL control pin. Both inputs are equipped with center tapped, differential, 100 Ω on-chip termination resistors. The inputs accept dc-coupled LVPECL, CML, 3.3 V CMOS (single-ended), and ac-coupled 1.8 V CMOS, LVDS, and LVPECL inputs. A VREFx pin is available for biasing ac-coupled inputs.

The ADCLK950 features 10 full-swing emitter coupled logic (ECL) output drivers. For LVPECL (positive ECL) operation, bias VCC to the positive supply and VEE to ground. For ECL operation, bias VCC to ground and VEE to the negative supply.

The output stages are designed to directly drive 800 mV each side into 50 Ω terminated to VCC − 2 V for a total differential output swing of 1.6 V.

The ADCLK950 is available in a 40-lead LFCSP and specified for operation over the standard industrial temperature range of −40°C to +85°C.

Applications

  • Low jitter clock distribution
  • Clock and data signal restoration
  • Level translation
  • Wireless communications
  • Wired communications
  • Medical and industrial imaging
  • ATE and high performance instrumentation

Subscribe to Welllinkchips !
Your Name
* Email
Submit a request