0
ADAQ4370-4
  • ADAQ4370-4
  • ADAQ4370-4

ADAQ4370-4

RECOMMENDED FOR NEW DESIGNS

Quad, 16-bit, 2 MSPS, Simultaneous Sampling, μModule Data Acquisition Solution

Analog Devices ADAQ4370-4 Product Info

10 February 2026 6

Features

  • Easy to use μModule® data acquisition system
    • 11× footprint reduction versus discrete solution
    • Integrated critical passive components
    • 5 V single supply operation
  • Guaranteed 16-bit no missing codes
  • On-chip oversampling function
  • 2-bit resolution boost
  • Out of range indicator (ALERT)
  • INL: ±0.85 LSB typical, ±2 LSB maximum
  • SNR (typical)
    • 90.8 dB at gain = 1.0, fIN = 1 kHz
    • 97.5 dB with OSR = ×8 at gain = 1.0, fIN = 1 kHz
  • Channel-to-Channel phase matching: 0.005° typical at fIN = 20 kHz
  • Integrated high precision reference, 3 ppm/oC typical drift
  • Gain error: 0.01% typical
  • Gain drift: 0.8 ppm/°C typical
  • Integrated internal buffer with VCM generation
  • Integrated fully differential ADC driver with signal scaling
    • Wide input common-mode voltage range
    • High common-mode rejection
  • Single-ended to differential conversion
  • Pin selectable input range with overrange
    • Input ranges: ±2 V, ±3.3 V, ±5.5 V, ±11 V
    • Gain/Attenuation: G = 0.3, 0.6, 1.0, and 1.6
  • High-speed serial interface
  • 8 mm x 8 mm, 0.8 mm pitch, 81-ball CSP_BGA package

Part details & applications

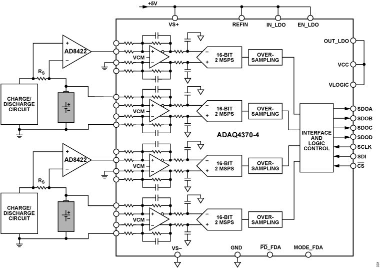
The ADAQ4370-4 is a quad-channel precision data acquisition (DAQ) signal chain μModule solution that reduces the development cycle of a precision measurement system by transferring the signal chain design challenges of component selection, optimization, and layout from the designer to the device.

Using system-in-package (SIP) technology, the ADAQ4370-4 reduces end system component count by combining multiple common signal processing and conditioning blocks into a single device. These blocks include a quad-channel, high resolution 16-bit, 2 MSPS simultaneous sampling SAR ADC, low noise, fully differential ADC driver amplifier, a 3.3 V precision voltage reference, low-noise buffer amplifiers, and low-dropout linear regulator.

The ADAQ4370-4 has an on-chip oversampling blocks to improve the dynamic range and reduce noise at lower bandwidths. The oversampling can boost up to two bits of added resolution. It provides the flexibility of a configurable ADC driver feedback loop to allow four gain and attenuation adjustments, and accept both fully differential or single-ended to differential input configuration.

Using Analog Devices, Inc. iPassives® technology, the ADAQ4370-4 incorporates critical passive components with superior matching and drift characteristics to minimize temperature dependent error sources and to offer optimized signal chain performance. Housed in a small 8 mm × 8 mm × 0.8 mm pitch, 81- ball CSP_BGA package, the ADAQ4370-4 enables compact design without sacrificing performance and simplifies end system bill of materials management. The ADAQ4370-4's optimum performance is guaranteed with a single 5 V supply operation, all the required bypass and decoupling capacitors are included inside the package. The level of ADAQ4370-4 system integration solves many design challenges, which enables a compact and simple solution for a multichannel application.

The conversion result

Subscribe to Welllinkchips !
Your Name
* Email
Submit a request