0
AD9915
  • AD9915
  • AD9915
  • AD9915

AD9915

RECOMMENDED FOR NEW DESIGNS

2.5 GSPS Direct Digital Synthesizer with 12-bit DAC

Analog Devices AD9915 Product Info

10 February 2026 12

Features

  • 2.5 GSPS internal clock speed
  • Integrated 12-bit DAC
  • Frequency tuning resolution to 135 pHz
  • 16-bit phase tuning resolution
  • 12-bit amplitude scaling
  • Programmable modulus
  • Automatic linear and nonlinear frequency sweeping capability
  • 32-bit parallel datapath interface
  • 8 frequency/phase offset profiles
  • Phase noise: −128 dBc/Hz (1 kHz offset at 978 MHz)
  • Wideband SFDR < −57 dBc
  • Serial or parallel input/output control
  • 1.8 V/3.3 V power supplies
  • Software and hardware controlled power-down
  • 88-lead LFCSP package
  • PLL REF CLK multiplier
  • Phase modulation capability
  • Amplitude modulation capability
  • Multichip synchronization

Part details & applications

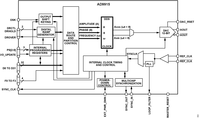
The AD9915 is a direct digital synthesizer (DDS) featuring a 12-bit DAC. The AD9915 uses advanced DDS technology, coupled with an internal high speed, high performance DAC to form a digitally programmable, complete high frequency synthesizer capable of generating a frequency-agile analog output sinusoidal waveform at up to 1.0 GHz. The AD9915 enables fast frequency hopping and fine tuning resolution (64-bit capable using programmable modulus mode). The AD9915 also offers fast phase and amplitude hopping capability. The frequency tuning and control words are loaded into the AD9915 via a serial or parallel input/output port. The AD9915 also supports a user defined linear sweep mode of operation for generating linear swept waveforms of frequency, phase, or amplitude. A high speed, 32-bit parallel data input port is included, enabling high data rates for polar modulation schemes and fast reprogramming of the phase, frequency, and amplitude tuning words.

The AD9915 is specified to operate over the extended industrial temperature range.

APPLICATIONS

  • Agile LO frequency synthesis
  • Programmable clock generator
  • FM chirp source for radar and scanning systems
  • Test and measurement equipment
  • Acousto-optic device drivers
  • Polar modulator
  • Fast frequency hopping

Subscribe to Welllinkchips !
Your Name
* Email
Submit a request