0
AD9858
  • AD9858
  • AD9858

AD9858

PRODUCTION

1 GSPS Direct Digital Synthesizer

Analog Devices AD9858 Product Info

10 February 2026 8

Features

  • 1 GSPS internal clock speed
  • Up to 2 GHz input clock
    (selectable divide-by-2)
  • Integrated 10-bit DAC
  • Excellent phase noise and SFDR
  • 32-bit programmable frequency register
  • Simplified 8-bit parallel and SPI serial control interface
  • Automatic frequency sweeping capability
  • 4 frequency profiles
  • 3.3 V power supply
  • Power dissipation: 2 W typical
  • Integrated programmable charge pump and phase frequency detector with fast lock circuit
  • See data sheet for additional features

Part details & applications

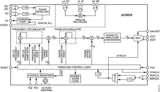
The AD9858 is a direct digital synthesizer (DDS) featuring a 10-bit digital-to-analog converter (DAC) operating up to 1 GSPS. The AD9858 uses advanced DDS technology coupled with an internal high speed, high performance DAC to form a digitally programmable, complete high frequency synthesizer capable of generating a frequency-agile analog output sine wave at up to 400 MHz. The AD9858 is designed to provide fast frequency hopping and fine tuning resolution (32-bit frequency tuning word). The frequency tuning and control words are loaded into the AD9858 via parallel (8-bit) or serial loading formats. The AD9858 contains an integrated charge pump (CP) and phase frequency detector (PFD) for synthesis applications requiring the combination of a high speed DDS along with phase-locked loop (PLL) functions. An analog mixer is also provided on chip for applications requiring the combination of a DDS, PLL, and mixer, such as frequency translation loops and tuners. The AD9858 also features a divide-by-2 on the clock input, allowing the external reference clock to be as high as 2 GHz.

The AD9858 is specified to operate over the extended industrial temperature range of –40°C to +85°C.

Applications
  • VHF/UHF LO synthesis
  • Tuners
  • Instrumentation
  • Agile clock synthesis
  • Cellular base station hopping synthesizers
  • Radars
  • SONET/SDH clock synthesis

Data Sheet, Rev. C, 2/08

Subscribe to Welllinkchips !
Your Name
* Email
Submit a request