0
AD9516-4
  • AD9516-4
  • AD9516-4

AD9516-4

RECOMMENDED FOR NEW DESIGNS

14-Output Clock Generator with Integrated 1.6 GH z VCO

Analog Devices AD9516-4 Product Info

10 February 2026 8

Features

  • Low phase noise, phase-locked loop (PLL)
    On-chip VCO tunes from 1.45 GHz to 1.80 GHz
    External VCO/VCXO to 2.4 GHz optional
    1 differential or 2 single-ended reference inputs
  • 6 pairs of 1.6 GHz LVPECL outputs
    Each output pair shares a 1-to-32 divider with coarse phase delay
    Additive output jitter: 225 fs rms
    Channel-to-channel skew paired outputs of <10 ps
  • 4 pairs of 800 MHz LVDS clock outputs
    Each output pair shares two cascaded 1-to-32 dividers with coarse phase delay
    Additive output jitter: 275 fs rms
    Automatic synchronization of all outputs on power-up
    Manual output synchronization available
    64-lead LFCSP
  • See datasheet for additional features

Part details & applications

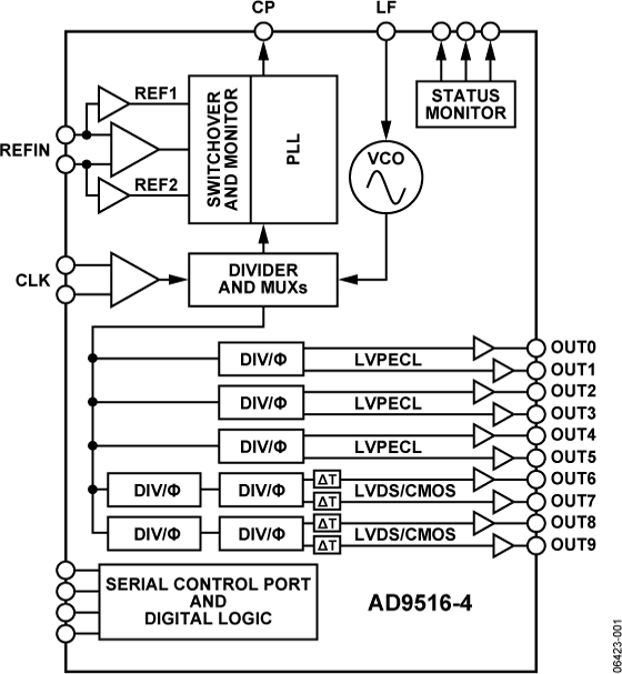
The AD9516-4 provides a multi-output clock distribution function with subpicosecond jitter performance, along with an on-chip PLL and VCO. The on-chip VCO tunes from 1.45 GHz to 1.80 GHz. Optionally, an external VCO/VCXO of up to 2.4 GHz can be used.

The AD9516-4 emphasizes low jitter and phase noise to maximize data converter performance, and it can benefit other applications with demanding phase noise and jitter requirements.

The AD9516-4 features six LVPECL outputs (in three pairs) and four LVDS outputs (in two pairs). Each LVDS output can be reconfigured as two CMOS outputs. The LVPECL outputs operate to 1.6 GHz, the LVDS outputs operate to 800 MHz, and the CMOS outputs operate to 250 MHz.

Each pair of outputs has dividers that allow both the divide ratio and coarse delay (or phase) to be set. The range of division for the LVPECL outputs is 1 to 32. The LVDS/CMOS outputs allow a range of divisions, up to a maximum of 1024.

The AD9516-4 is available in a 64-lead LFCSP and can be operated from a single 3.3 V supply. An external VCO, which requires an extended voltage range, can be accommodated by connecting the charge pump supply (VCP to 5 V. A separate LVPECL power supply can be from 2.5 V to 3.3 V (nominal).

The AD9516-4 is specified for operation over the industrial range of −40°C to +85°C.

APPLICATIONS

  • Low jitter, low phase noise clock distribution
  • 10/40/100 Gb/sec networking line cards, including SONET, Synchronous Ethernet, OTU2/3/4
  • Forward error correction (G.710)
  • Clocking high speed ADCs, DACs, DDSs, DDCs, DUCs, MxFEs
  • High performance wireless transceivers
  • ATE and high performance instrumentation