0
AD9252
  • AD9252
  • AD9252

AD9252

NOT RECOMMENDED FOR NEW DESIGNS

Octal, 14-Bit, 50 MSPS, Serial LVDS, 1.8 V ADC

Analog Devices AD9252 Product Info

10 February 2026 8

Features

  • 8 analog-to-digital converters (ADCs) integrated into 1 package
  • 93.5 mW ADC power per channel at 50 MSPS
  • SNR = 73 dB (to Nyquist)
  • SFDR = 84 dBc (to Nyquist)
  • Excellent linearity
    - DNL = ±0.4 LSB (typical)
    - INL = ±1.5 LSB (typical)
  • Serial LVDS (ANSI-644, default)
    Low power, reduced signal option (similar to IEEE 1596.3)
  • Data and frame clock outputs
  • 325 MHz, full-power analog bandwidth
  • 2 V p-p input voltage range
  • 1.8 V supply operation
  • Please see the data sheet for additional information

Part details & applications

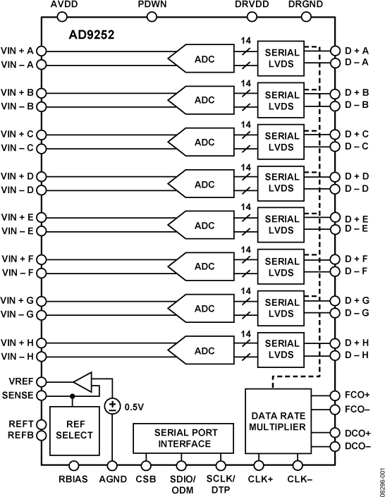
The AD9252 is an octal, 14-bit, 50 MSPS ADC with an on-chip sample-and-hold circuit designed for low cost, low power, small size, and ease of use. Operating at a conversion rate of up to 50 MSPS, it is optimized for outstanding dynamic performance and low power in applications where a small package size is critical.

The ADC requires a single 1.8 V power supply and LVPECL-/ CMOS-/LVDS-compatible sample rate clock for full performance operation. No external reference or driver components are required for many applications.

The ADC automatically multiplies the sample rate clock for the appropriate LVDS serial data rate. A data clock (DCO) for capturing data on the output and a frame clock (FCO) for signaling a new output byte are provided. Individual channel power-down is supported and typically consumes less than 2 mW when all channels are disabled.

The ADC contains several features designed to maximize flexibility and minimize system cost, such as programmable clock and data alignment and programmable digital test pattern generation. The available digital test patterns include built-in deterministic and pseudorandom patterns, along with custom user- defined test patterns entered via the serial port interface (SPI).

The AD9252 is available in an RoHS compliant, 64-lead LFCSP. It is specified over the industrial temperature range of −40°C to +85°C.

Product Highlights

  1. Small Footprint. Eight ADCs are contained in a small package.
  2. Low Power of 93.5 mW per Channel at 50 MSPS.
  3. Ease of Use. A data clock output (DCO) operates up to 350 MHz and supports double data rate (DDR) operation.
  4. User Flexibility. SPI control offers a wide range of flexible features to meet specific system requirements.
  5. Pin-Compatible Family. This includes the