0
AD9136
  • AD9136
  • AD9136
  • AD9136
  • AD9136

AD9136

RECOMMENDED FOR NEW DESIGNS

Dual, 16-Bit, 2.8 GSPS, TxDAC+® Digital-to-Analog Converter

Analog Devices AD9136 Product Info

10 February 2026 9

Features

  • Support input data rate >2 GSPS
  • Proprietary low spurious and distortion design
    SFDR = 82 dBc at dc IF, −9 dBFS
    Flexible 8-lane JESD204B interface
  • Multiple chip synchronization
    Fixed latency
    Data generator latency compensation
  • See datasheet for additional features

Part details & applications

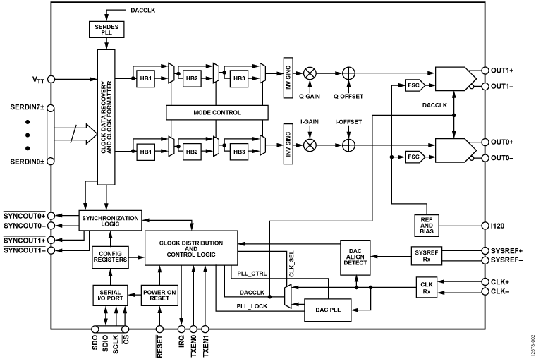
The AD9135 / AD9136 are dual, 11-/16-bit, high dynamic range digital-to-analog converters (DACs) that provide a maximum sample rate of 2800 MSPS, permitting a multicarrier generation over a very wide bandwidth. The DAC outputs are optimized to interface seamlessly with the ADRF6720, as well as other analog quadrature modulators (AQMs) from Analog Devices, Inc. An optional 3-wire or 4-wire serial port interface (SPI) provides for programming/readback of many internal parameters. The full-scale output current can be programmed over a typical range of 13.9 mA to 27.0 mA. The AD9135/AD9136 are available in an 88-lead LFCSP.

PRODUCT HIGHLIGHTS

  1. Greater than 2 GHz, ultrawide complex signal bandwidth enables emerging wideband and multiband wireless applications.
  2. Advanced low spurious and distortion design techniques provide high quality synthesis of wideband signals from baseband to high intermediate frequencies.
  3. JESD204B Subclass 1 support simplifies multichip synchronization in software and hardware design.
  4. Fewer pins for data interface width with a serializer/deserializer (SERDES) JESD204B eight-lane interface.
  5. Programmable transmit enable function allows easy design balance between power consumption and wake-up time.
  6. Small package size with 12 mm × 12 mm footprint.

APPLICATIONS

  • Wireless communications
    • 3G/4G W-CDMA base stations
    • Wideband repeaters
    • Software defined radios
  • Wideband communications
    • Point to point
    • Local multipoint distribution service (LMDS) and multichannel multipoint distribution service (MMDS)
  • Transmit diversity,

Subscribe to Welllinkchips !
Your Name
* Email
Submit a request