0
AD8495
  • AD8495
  • AD8495

AD8495

PRODUCTION

Full K-Type Range 0° to 50° Thermocouple Amplifier w/Cold Junction Compensation

Analog Devices AD8495 Product Info

10 February 2026 10

Features

  • Low cost and easy to use
  • Pretrimmed for K type thermocouples
  • Internal cold junction compensation
  • High impedance differential input
  • Standalone 5 mV/°C thermometer
  • Reference pin allows offset adjustment
  • Thermocouple break detection
  • See data sheet for additional features.

Part details & applications

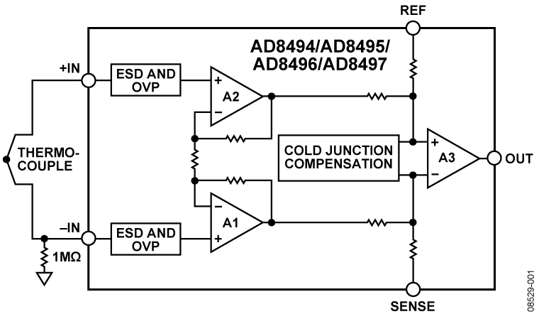
The AD8494/AD8495/AD8496/AD8497are precision instrumentation amplifiers with thermocouple cold junction compensators on an integrated circuit. They produce a high level (5 mV/°C) output directly from a thermocouple signal by combining an ice point reference with a precalibrated amplifier. They can be used as standalone thermometers or as switched output setpoint controllers using either a fixed or remote setpoint control.

The AD8494/AD8495/AD8496/AD8497 can be powered from a single-ended supply (less than 3 V) and can measure temperatures below 0°C by offsetting the reference input. To minimize self-heating, an unloaded AD849x typically operates with a total supply current of 180 μA, but it is also capable of delivering in excess of ±5 mA to a load.

The AD8494 and AD8496 are precalibrated by laser wafer trimming to match the characteristics of J type (iron-constantan) thermocouples; the AD8495 and AD8497 are laser trimmed to match the characteristics of K type (chromel-alumel) thermo-couples. See Table 1 on the data sheet for the optimized ambient temperature range of each part.

The AD8494/AD8495/AD8496/AD8497 allow a wide variety of supply voltages. With a 5 V single supply, the 5 mV/°C output allows the devices to cover nearly 1000 degrees of a thermo-couple’s temperature range.

The AD8494/AD8495/AD8496/AD8497 work with 3 V supplies, allowing them to interface directly to lower supply ADCs. They can also work with supplies as large as 36 V in industrial systems that require a wide common-mode input range.

Product Highlights

  1. Complete, precision laser wafer trimmed thermocouple signal conditioning system in a single IC package.
  2. Flexible pinout provides for operation as a setpoint c

Subscribe to Welllinkchips !
Your Name
* Email
Submit a request