0
AD7983
  • AD7983
  • AD7983
  • AD7983

AD7983

PRODUCTION

16-Bit, 1.33 MSPS PulSAR ADC in MSOP/LFCSP

Analog Devices AD7983 Product Info

10 February 2026 6

Features

  • High performance
    • Pseudo differential analog input range
      • 0 V to VREF with VREF between 2.9 V to 5 V
    • Throughput: 1.33 MSPS
      • Zero latency architecture
    • 16-bit resolution with no missing codes
    • INL: ±0.6 LSB typical, ±1.0 LSB maximum
    • Dynamic range: 93 dB, VREF = 5 V
    • SNR: 92 dB at fIN = 1 kHz, VREF = 5 V
    • THD: −115 dB at fIN = 1 kHz, VREF = 5 V
    • SINAD: 92 dB at fIN = 1 kHz, VREF = 5 V
  • Low power dissipation
    • Single-supply 2.5 V operation with 1.8 V/2.5 V/3 V/5 V logic interface
    • 5.25 mW at 1.33 MSPS (VDD only)
    • 10.5 mW at 1.33 MSPS (total)
    • 80 μW at 10 kSPS
  • Proprietary serial interface
    • SPI-/QSPI-/MICROWIRE-/DSP-compatible
  • Daisy-chain multiple ADCs and busy indicator
  • 10-lead MSOP and 10-lead, 3 mm × 3 mm LFCSP
  • Wide operating temperature range: −40°C to +85°C

Part details & applications

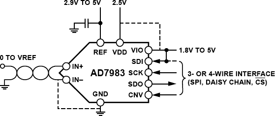
The AD7983 is a 16-bit, successive approximation, analog-to-digital converter (ADC) that operates from a single power supply, VDD. It contains a low power, high speed, 16-bit sampling ADC and a versatile serial interface port. On the CNV rising edge, it samples an analog input IN+ between 0 V to REF with respect to a ground sense IN−. The reference voltage, REF, is applied externally and can be set independent of the supply voltage, VDD. Its power scales linearly with throughput.

The SPI-compatible serial interface also features the ability, using the SDI input, to daisy-chain several ADCs on a single, 3-wire bus and provides an optional busy indicator. It is compatible with 1.8 V, 2.5 V, 3 V, or 5 V logic, using the separate supply VIO.

The AD7983 is housed in a 10-lead MSOP or a 10-lead LFCSP with operation specified from −40°C to +85°.

APPLICATIONS

  • Automated test equipment
  • Data acquisition systems
  • Medical instruments
  • Machine automation

Subscribe to Welllinkchips !
Your Name
* Email
Submit a request