0
AD7690
  • AD7690
  • AD7690
  • AD7690

AD7690

PRODUCTION

18-Bit, 1.5 LSB INL, 400 kSPS PulSAR® Differential ADC in MSOP/QFN

Analog Devices AD7690 Product Info

10 February 2026 9

Features

  • 18-bit resolution with no missing codes
  • Throughput: 400 kSPS
  • INL: ±0.75 LSB typ, ±1.5 LSB max
    (±6 ppm of FSR)
  • Dynamic range: 102 dB @ 400 kSPS
  • Oversampled dynamic range: 125 dB @ 1 kSPS
  • Noise-free code resolution: 20 bits @ 1 kSPS
  • Effective resolution: 22.7 bits @ 1 kSPS
  • SINAD: 101.5 dB @ 1 kHz
  • THD: −125 dB @ 1 kHz
  • True differential analog input range:
    ±VREF0 V to VREF with VREF up to VDD on both inputs
  • No pipeline delay
  • Single-supply 5 V operation with 1.8 V/2.5 V/3 V/5 V logic interface

Part details & applications

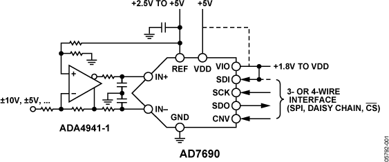
The AD7690 is an 18-bit, successive approximation, analog-to-digital converter (ADC) that operates from a single power supply, VDD. It contains a low power, high speed, 18-bit sampling ADC with no missing codes, an internal conversion clock, and a versatile serial interface port. On the CNV rising edge, it samples the voltage difference between the IN+ and IN− pins. The voltages on these pins swing in opposite phase between 0 V and REF. The reference voltage, REF, is applied externally and can be set up to the supply voltage.

The power of the AD7690 scales linearly with the throughput.

The SPI-compatible serial interface also features the ability, using the SDI input, to daisy-chain several ADCs on a single, 3-wire bus and provides an optional busy indicator. It is compatible with 1.8 V, 2.5 V, 3 V, or 5 V logic, using the separate VIO supply.

The AD7690 is housed in a 10-lead MSOP or a 10-lead QFN (LFCSP) with operation specified from −40°C to +85°C.

APPLICATIONS

  • Battery-powered equipment
  • Data acquisition
  • Seismic data acquisition systems
  • DVMs
  • Instrumentation
  • Medical instruments

Subscribe to Welllinkchips !
Your Name
* Email
Submit a request