0
AD8104
  • AD8104
  • AD8104
  • AD8104

AD8104

PRODUCTION

600 MHz, 32 × 16 Buffered Analog Crosspoint Switch

Analog Devices AD8104 Product Info

10 February 2026 7

Features

  • High channel count, 32 × 16 high speed, nonblocking switch array
  • Differential or single-ended operation
  • Differential G = +1 (AD8104) or G = +2 (AD8105)
  • Pin compatible with AD8117/AD8118, 32 x 32 switch arrays
  • Flexible power supplies 
    • Single +5 V supply, or dual ±2.5 V supplies
  • Serial or parallel programming of switch array
  • Excellent video performance
    • >50 MHz 0.1 dB gain flatness
    • 0.05% differential gain error (RL = 150 Ω)
    • 0.05° phase error (RL = 150 Ω)
  • High impedance output disable allows connection of multiple devices with minimal loading on output bus
  • Excellent ac performance
    • Bandwidth: 600 MHz
    • Slew rate: 1800 V/μs
    • Settling time: 2.5 ns to 1%
  • Low power of 1.7 W
  • Low all hostile crosstalk
    • < −70 dB at 5 MHz
    • < −40 dB @ 600 MHz
  • Reset pin allows disabling of all outputs (connected through a capacitor to ground provides power-on reset capability)
  • 304-ball BGA package (31 mm × 31 mm)

Part details & applications

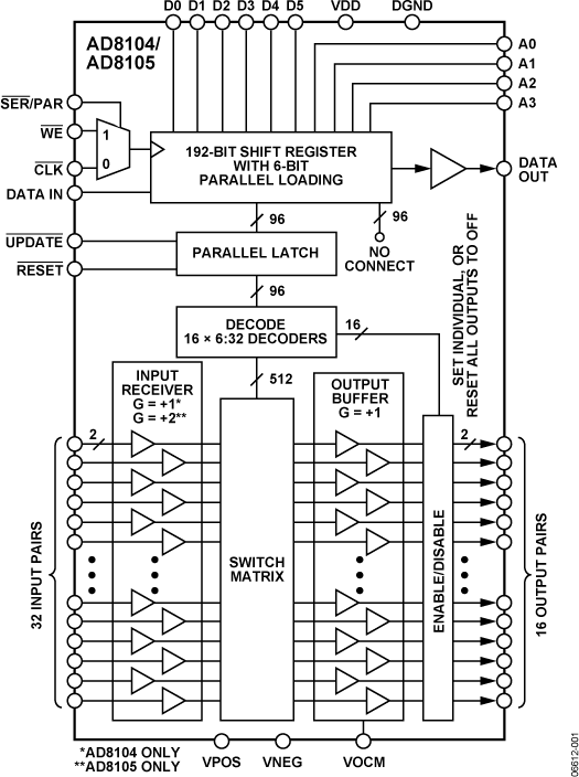
The AD8104/AD8105 are high speed, 32 × 16 analog crosspoint switch matrices. They offer 600 MHz bandwidth and slew rate of 1800 V/μs for high resolution computer graphics (RGB) signal switching. With less than −70 dB of crosstalk and −90 dB isolation (@ 5 MHz), the AD8104/AD8105 are useful in many high speed applications. The 0.1 dB flatness, which is greater than 50 MHz, makes the AD8104/AD8105 ideal for composite video switching.

The AD8104/AD8105 include 16 independent output buffers that can be placed into a high impedance state for paralleling crosspoint outputs so that off-channels present minimal loading to an output bus. The AD8104 has a differential gain of +1, while the AD8105 has a differential gain of +2 for ease of use in back-terminated load applications. They operate as fully differential devices or can be configured for single-ended operation. Either a single +5 V supply or dual ±2.5 V supplies can be used, while consuming only 340 mA of idle current with all outputs enabled. The channel switching is performed via a double-buffered, serial digital control (which can accommodate daisy-chaining of several devices), or via a parallel control, allowing updating of an individual output without reprogramming the entire array.

The AD8104/AD8105 are packaged in a 304-ball BGA package and are available over the extended industrial temperature range of −40°C to +85°C.

Applications

  • Routing of high speed signals including
    • RGB and component video routing
    • KVM
    • Compressed video (MPEG, wavelet)
    • Data communications

Subscribe to Welllinkchips !
Your Name
* Email
Submit a request