0
AD7549
  • AD7549

AD7549

NOT RECOMMENDED FOR NEW DESIGNS

12-Bit, Dual, Multiplying, IOUT D/A Converter

Analog Devices AD7549 Product Info

10 February 2026 7

Features

  • Two Double Bufered 12-bit DACs
  • 4-Quadrant Multiplication
  • Low Gain Error (3 LSBs max)
  • DAC Ladder Resistance Matching: 1%
  • Space Saving Skinny DIP and Surface Mount Packages
  • Latch-Up Proof
  • Extended Temperature Range Operation

Part details & applications

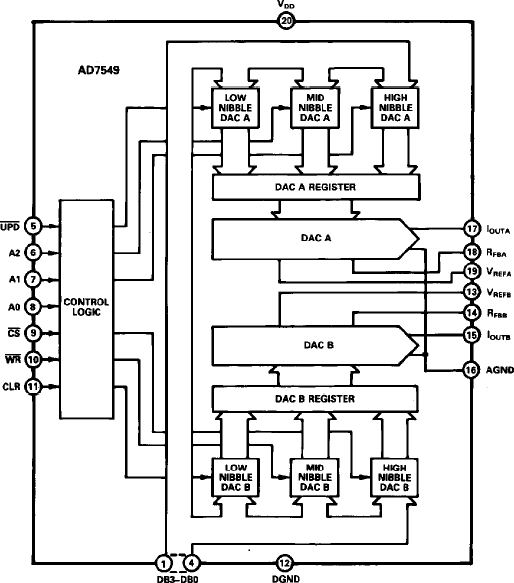
The AD7549 is a monolithic dual, 12-bit, current output D/A converter. It is packaged in both 0.3" wide 20-pin DIPs and in 20-terminal surface mount packages. Both DACs provide four quadrant multiplication capabilities with a separate reference input and feedback resistor for each DAC. The monolithic construction ensures excellent thermal tracking and gain error tracking between the two DACs.

The DACs in the AD7549 are each loaded in three 4-bit nibbles. The control logic is designed for easy processor interfacing. Input and DAC register loading is accomplished using address lines A0, A1, A2, and CS, WR lines. A logic high level on the CLR input clears all registers. Both DACs may be simultaneously update using the UPD input.

APPLICATIONS

  • Programmable Filters
  • Automatic test equipment
  • Microcomputer based process control
  • Audio systems
  • Programmable power supplies
  • Synchro Applications

Subscribe to Welllinkchips !
Your Name
* Email
Submit a request