0
AD5535B
  • AD5535B
  • AD5535B

AD5535B

NOT RECOMMENDED FOR NEW DESIGNS

32-Channel, 14-Bit DAC with Full-Scale Output Voltage Programmable from 50 V to 200 V

Analog Devices AD5535B Product Info

10 February 2026 10

Features

  • High integration
    • 32-channel, 14-bit denseDAC® with integrated high voltage output amplifier
  • Guaranteed monotonic
  • Housed in 15 mm × 15 mm CSP_BGA package
  • Full-scale output voltage programmable from 50 V to 200 V via reference input
  • 550 µA drive capability
  • Integrated silicon diode for temperature monitoring
  • DSP-/microcontroller-compatible serial interface
  • 1.2 MHz channel update rate
  • Asynchronous RESET facility
  • –10°C to +85°C temperature range

Part details & applications

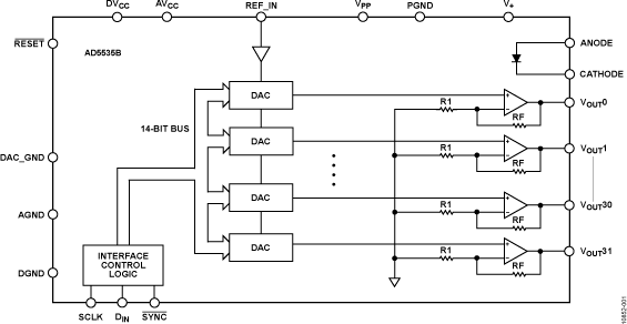
The AD5535B is a 32-channel, 14-bit denseDAC® with an on-chip high voltage output amplifier. This device is targeted for optical micro-electromechanical systems. The output voltage range is programmable via the REF_IN pin. The output range is 0 V to 50 V when REF_IN = 1 V, and 0 V to 200 V when REF_IN = 4 V. Each amplifier can source 550 μA, which is ideal for the deflection and control of optical MEMS mirrors.

The selected digital-to-analog converter (DAC) register is written to via the 3-wire interface. The serial interface operates at clock rates of up to 30 MHz and is compatible with DSP and micro-controller interface standards.

The device is operated with AVCC = 4.75 V to 5.25 V, DVCC = 2.7 V to 5.25 V, V+ = 4.75 V to 5.25 V, and VPP of up to 225 V. REF_IN is buffered internally on the AD5535B and should be driven from a stable reference source.

Applications

  • Optical microelectromechanical systems (MEMS)
  • Optical crosspoint switches
  • Micropositioning applications using piezoelectric actuators
  • Level setting in automotive test and measurement

Subscribe to Welllinkchips !
Your Name
* Email
Submit a request