0
AD5384
  • AD5384
  • AD5384

AD5384

PRODUCTION

40-Channel, 3 V/5 V Single-Supply, Serial 14-Bit dense DAC®

Analog Devices AD5384 Product Info

10 February 2026 7

Features

  • Guaranteed Monotonic
  • Relative Accuracy (INL): ±4 LSB max
  • On-chip 1.25 V/2.5 V, 10 ppm/°C reference
  • Temperature range: −40°C to +85°C
  • Package Type: 100-ball CSP_BGA
  • Serial SPI-/QSPI/MICROWIRE®/DSP-compatible, featuring Data Readback Mode
  • I2C Compatible Serial Interface
  • Integrated Channel Monitor Function
  • Simultaneous output update via LDAC
  • Clear function to user programmable code
  • Amplifier boost mode to optimize slew rate
  • User Programmable Offset and Gain Adjust
  • Toggle Mode: Enables square wave generation
  • Thermal monitor

Part details & applications

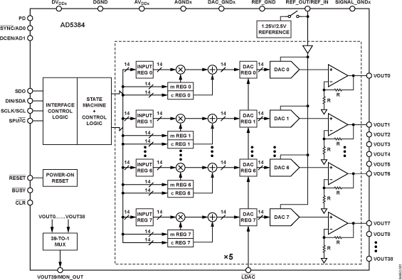
The AD5384 is a complete single-supply, 40-channel, 14-bit digital-to-analog converter (DAC) available in a 100-ball CSP_BGA package. All 40 channels have an on-chip output amplifier with rail-to-rail operation. The AD5384 includes an internal 1.25 V/2.5 V, 10 ppm/°C reference, an on-chip channel monitor function that multiplexes the analog outputs to a common MON_OUT pin for external monitoring, and an output amplifier boost mode that allows the amplifier slew rate to be optimized. The AD5384 contains a serial interface compatible with SPI, QSPI, MICROWIRE, and DSP interface standards with interface speeds in excess of 30 MHz and an I2C-compatible interface supporting 400 kHz data transfer rate. An input register followed by a DAC register provides double buffering, allowing the DAC outputs to be updated independently or simultaneously, using the LDAC input. Each channel has a programmable gain and offset adjust register letting the user fully calibrate any DAC channel. Power consumption is typically 0.25 mA per channel with boost mode off.

APPLICATIONS

  • Variable optical attenuators (VOAs)
  • Level settings (automatic test equipment{ATE})
  • Optical micro-electromechanical systems (MEMS) control systems
  • Instrumentation

Subscribe to Welllinkchips !
Your Name
* Email
Submit a request