0
AD5381
  • AD5381
  • AD5381

AD5381

PRODUCTION

40-Channel, 3 V/5 V, Single-Supply,12-Bit, denseDAC

Analog Devices AD5381 Product Info

10 February 2026 9

Features

  • Guaranteed Monotonic
  • INL error: ±1 LSB max
  • On-Chip 1.25 V/2.5 V Reference With 10 ppm/ºC TempCo
  • Temperature range: –40°C to +85°C
  • Rail-to-rail output amplifier
  • Power-down
  • Package type: 100-lead LQFP (14 mm × 14 mm)
  • I2C®-compatible
  • Robust 6.5 kV HBM and 2 kV FICDM ESD rating

INTEGRATED FUNCTIONS

  • Channel monitor
  • Simultaneous output update via LDAC
  • Clear function to user-programmable code
  • Amplifier boost mode to optimize slew rate
  • User-programmable offset and gain adjust
  • Toggle mode enables square wave generation
  • Thermal monitors

Part details & applications

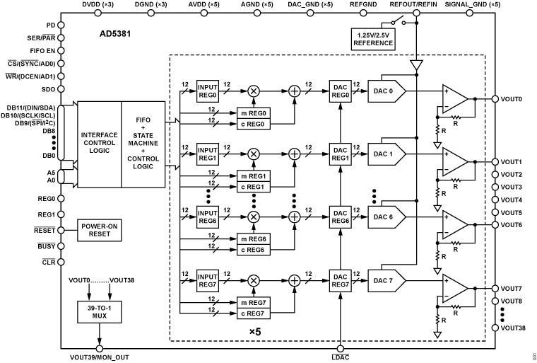
The AD5381 is a complete, single-supply, 40-channel, 12-Bit DAC available in a 100-lead LQFP package. All 40 channels have an on-chip output amplifier with rail-to-rail operation. The AD5381 includes a programmable internal 1.25 V/2.5 V, 10 ppm/°C reference, an on-chip channel monitor function that multiplexes the analog outputs to a common MON_OUT pin for external monitoring, and an output amplifier boost mode, which allows optimization of the amplifier slew rate. The AD5381 contains a double-buffered parallel interface featuring 20 ns WR pulse width, an SPI-/QSPI-/MICROWIRE-/DSP-compatible serial interface with interface speeds in excess of 30 MHz, and an I2C-compatible interface that supports a 400 kHz data transfer rate.

An input register followed by a DAC register provides double buffering, allowing the DAC outputs to be updated independently or simultaneously using the LDAC input.

Each channel has a programmable gain and offset adjust register that allows the user to fully calibrate any DAC channel. Power consumption is typically 0.25 mA/channel with boost mode disabled.

APPLICATIONS

  • Variable optical attenuators (VOAs)
  • Level setting (ATE)
  • Optical micro-electro-mechanical systems (MEMS)
  • Control systems
  • Instrumentation

Subscribe to Welllinkchips !
Your Name
* Email
Submit a request