0
TRS208
  • TRS208
  • TRS208
  • TRS208
  • TRS208

TRS208

ACTIVE

5-V quad channel 120kbps RS-232 line driver/receiver with +/-9V output & +/-15-kV ESD protection

Texas Instruments TRS208 Product Info

1 April 2026 0

Parameters

Drivers per package

4

Receivers per package

4

Logic voltage (min) (V)

5

Data rate (max) (Mbps)

0.12

Main supply voltage (nom) (V)

5

ESD HBM (kV)

15

Rating

Catalog

Operating temperature range (°C)

-40 to 85

Vout (typ) (V)

9

Package

SOIC (DW)-24-159.65 mm² 15.5 x 10.3

Features

  • ESD Protection for RS-232 I/O pins
    • ±15kV Human-Body Model (HBM)
  • Meets or exceeds the requirements of TIA/EIA-232-F and ITU v.28 standards
  • Operates at 5V VCC supply
  • Four drivers and four receivers
  • Operates up to 120kbit/s
  • External capacitors: 4 × 0.1µF
  • Latch-up performance exceeds 100mA per JESD 78, class II
  • ESD Protection for RS-232 I/O pins
    • ±15kV Human-Body Model (HBM)
  • Meets or exceeds the requirements of TIA/EIA-232-F and ITU v.28 standards
  • Operates at 5V VCC supply
  • Four drivers and four receivers
  • Operates up to 120kbit/s
  • External capacitors: 4 × 0.1µF
  • Latch-up performance exceeds 100mA per JESD 78, class II

Description

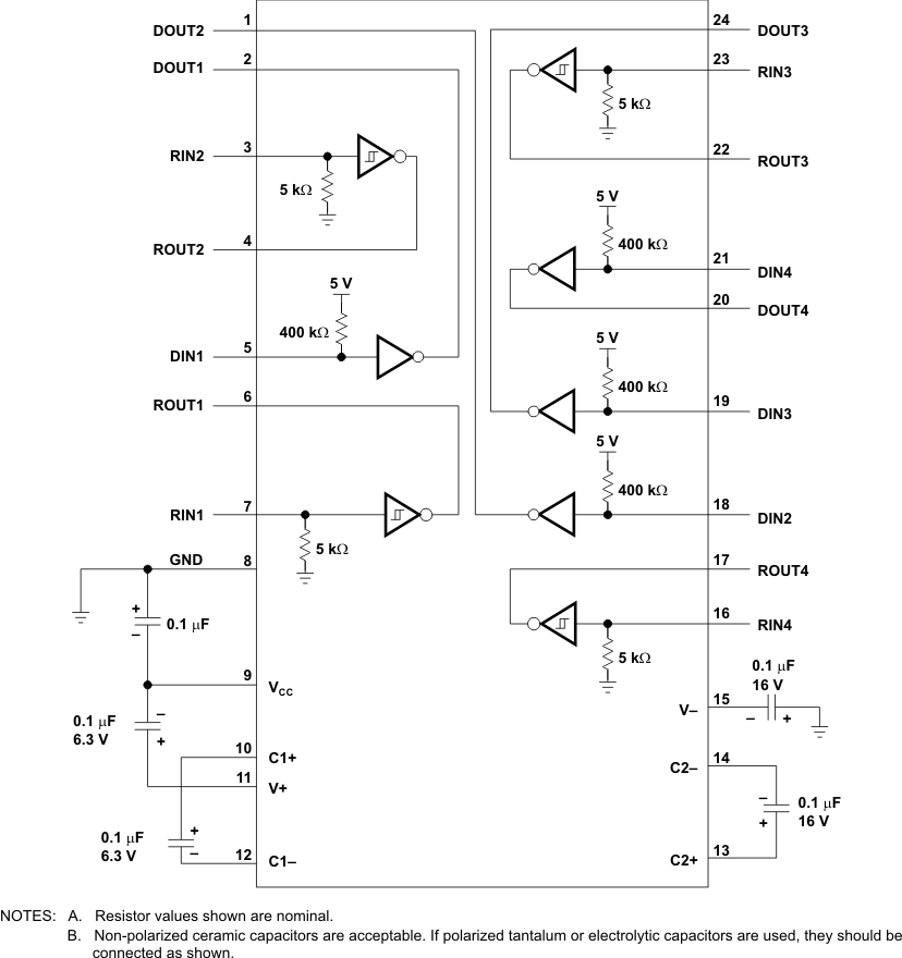
The TRS208 device consists of four line drivers, four line receivers, and a dual charge-pump circuit with ±15kV HBM ESD protection pin to pin (serial-port connection pins, including GND). The device meets the requirements of TIA/EIA-232-F and provides the electrical interface between an asynchronous communication controller and the serial-port connector. The charge pump and four small external capacitors allow operation from a single 5V supply. The devices operate at data signaling rates up to 120kbit/s and a maximum of 30V/µs driver output slew rate.

The TRS208 device consists of four line drivers, four line receivers, and a dual charge-pump circuit with ±15kV HBM ESD protection pin to pin (serial-port connection pins, including GND). The device meets the requirements of TIA/EIA-232-F and provides the electrical interface between an asynchronous communication controller and the serial-port connector. The charge pump and four small external capacitors allow operation from a single 5V supply. The devices operate at data signaling rates up to 120kbit/s and a maximum of 30V/µs driver output slew rate.

Subscribe to Welllinkchips !
Your Name
* Email
Submit a request