0
TPS92638-Q1
  • TPS92638-Q1
  • TPS92638-Q1
  • TPS92638-Q1

TPS92638-Q1

ACTIVE

Automotive 8-channel Linear LED driver with PWM dimming

Texas Instruments TPS92638-Q1 Product Info

1 April 2026 1

Parameters

Number of channels

8

Topology

Current Source

Rating

Automotive

TI functional safety category

Functional Safety-Capable

Operating temperature range (°C)

-40 to 125

Vin (min) (V)

5

Vin (max) (V)

40

Vout (min) (V)

0

Vout (max) (V)

40

Iout (max) (A)

0.56

Iq (typ) (mA)

0.6

Features

Enable/Shutdown, Fault Detection, Fault Diagnostic, LED Open Detection, LED Short to Ground Detection, Thermal Foldback, Thermal shutdown

Package

HTSSOP (PWP)-20-41.6 mm² 6.5 x 6.4

Features

  • Qualified for Automotive Applications
    • Device Temperature Grade 1: –40°C to 125°C Ambient Operating Temperature Range
    • Device HBM ESD Classification Level H2
    • Device CDM ESD Classification Level C3B
  • Functional safety capable
    • Documentation available to aid functional safety system design
  • 8-Channel LED Driver With Analog and PWM Dimming
  • Wide Input-Voltage Range: 5 V–40 V
  • Adjustable Constant Output Current Set by Reference Resistor
    • Maximum Current: 70 mA per Channel
    • Maximum Current: 560 mA in Parallel Operation Mode
    • Accuracy: ±3% per Channel
    • Accuracy: ±4% per Device
  • PWM Dimming Input (PWM)
    • Turn ON/OFF Delay Time: 25 µs (typ.), 45 µs (max.)
  • 4-Bank PWM Dimming to Control 8 Channels
  • Open- and Shorted-LED Detection With Deglitch
  • Fault Pin for Open, Short, and Thermal-Shutdown Failure Reporting, Allowing Parallel Bus Connection of up to 15 Devices
  • Temperature-Current Foldback to Prevent Thermal Shutdown, With Programmable Threshold
  • Single Resistor for Stop-Current Set Point
  • Single Resistor for Tail-Current Set Point
  • Operating Junction Temperature Range –40°C to 150°C
  • Package: 20-Pin Thermally Enhanced PWP Package (PDSO)
  • Qualified for Automotive Applications
    • Device Temperature Grade 1: –40°C to 125°C Ambient Operating Temperature Range
    • Device HBM ESD Classification Level H2
    • Device CDM ESD Classification Level C3B
  • Functional safety capable
    • Documentation available to aid functional safety system design
  • 8-Channel LED Driver With Analog and PWM Dimming
  • Wide Input-Voltage Range: 5 V–40 V
  • Adjustable Constant Output Current Set by Reference Resistor
    • Maximum Current: 70 mA per Channel
    • Maximum Current: 560 mA in Parallel Operation Mode
    • Accuracy: ±3% per Channel
    • Accuracy: ±4% per Device
  • PWM Dimming Input (PWM)
    • Turn ON/OFF Delay Time: 25 µs (typ.), 45 µs (max.)
  • 4-Bank PWM Dimming to Control 8 Channels
  • Open- and Shorted-LED Detection With Deglitch
  • Fault Pin for Open, Short, and Thermal-Shutdown Failure Reporting, Allowing Parallel Bus Connection of up to 15 Devices
  • Temperature-Current Foldback to Prevent Thermal Shutdown, With Programmable Threshold
  • Single Resistor for Stop-Current Set Point
  • Single Resistor for Tail-Current Set Point
  • Operating Junction Temperature Range –40°C to 150°C
  • Package: 20-Pin Thermally Enhanced PWP Package (PDSO)

Description

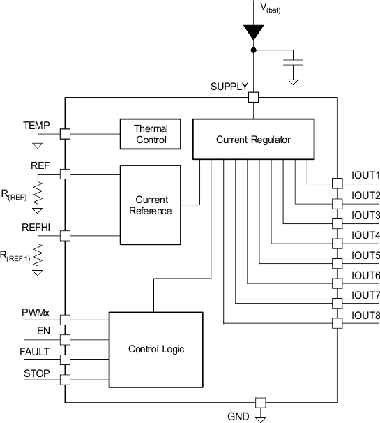
The TPS92638-Q1 is an eight-channel linear LED driver with PWM dimming control. Its design is ideal for driving multiple strings of LEDs up to a medium power range.

This device can drive up to eight strings with one to three LEDs in each string, at a total current up to 70 mA per channel. Outputs can be in parallel to provide higher-current drive up to 560 mA.

In multiple-string applications, the device offers the advantage of having common-cathode connection of the LED stings. So, there is only a single return wire needed instead of one per LED string that a system with low-side current sense would need.

The device has the capability for switching LED current between high current and low current for stop and tail applications. Two reference resistors set the two LED current levels from each output.

The included temperature monitor reduces the LED drive current if the IC junction temperature exceeds a thermal threshold. The temperature threshold is programmable through an external resistor. One can disable the thermal current-monitor feature by connecting the TEMP pin to ground. Output of the junction temperature as an analog voltage is available as a factory program option.

The TPS92638-Q1 is an eight-channel linear LED driver with PWM dimming control. Its design is ideal for driving multiple strings of LEDs up to a medium power range.

This device can drive up to eight strings with one to three LEDs in each string, at a total current up to 70 mA per channel. Outputs can be in parallel to provide higher-current drive up to 560 mA.

In multiple-string applications, the device offers the advantage of having common-cathode connection of the LED stings. So, there is only a single return wire needed instead of one per LED string that a system with low-side current sense would need.

The device has the capability for switching LED current between high current and low current for stop and tail applications. Two reference resistors set the two LED current levels from each output.

The included temperature monitor reduces the LED drive current if the IC junction temperature exceeds a thermal threshold. The temperature threshold is programmable through an external resistor. One can disable the thermal current-monitor feature by connecting the TEMP pin to ground. Output of the junction temperature as an analog voltage is available as a factory program option.

Subscribe to Welllinkchips !
Your Name
* Email
Submit a request