0
TPS65910
  • TPS65910
  • TPS65910

TPS65910

ACTIVE

Integrated Power Management IC (PMIC) w/ 4 DC/DCs, 8 LDOs and RTC in 6x6mm QFN family

Texas Instruments TPS65910 Product Info

1 April 2026 0

Parameters

Processor supplier

NXP/Freescale, Samsung, Texas Instruments

Processor name

DM64x, OMAP, S5Px, Sitara AM335x, Sitara AM35x, i.MX27, i.MX37, i.MX51

Product type

Processor and FPGA

Regulated outputs (#)

12

Step-down DC/DC converter

3

Step-up DC/DC converter

1

LDO

8

Vin (min) (V)

1.7

Vin (max) (V)

5.5

Vout (min) (V)

0.6

Vout (max) (V)

3.3

Iout (max) (A)

1.5

Configurability

Factory programmable, Software configurable

Features

Comm control, Dynamic voltage scaling, Enable, I2C control, Overcurrent protection, Power sequencing, Synchronous rectification, Thermal shutdown

Rating

Catalog

Operating temperature range (°C)

-40 to 85

Step-down DC/DC controller

0

Step-up DC/DC controller

0

Iq (typ) (mA)

0.36

Switching frequency (max) (kHz)

3000

Switching frequency (typ) (kHz)

3000

Package

VQFN (RSL)-48-36 mm² 6 x 6

Features

  • Embedded Power Controller
  • Two Efficient Step-Down DC-DC Converters for Processor Cores
  • One Efficient Step-Down DC-DC Converter for I/O Power
  • One Efficient Step-Up 5-V DC-DC Converter
  • SmartReflex Compliant Dynamic Voltage Management for Processor Cores
  • 8 LDO Voltage Regulators and One Real-Time Clock (RTC) LDO (Internal Purpose)
  • One High-Speed I2C Interface for General-Purpose Control Commands (CTL-I2C)
  • One High-Speed I2C Interface for SmartReflex Class 3 Control and Command (SR-I2C)
  • Two Enable Signals Multiplexed with SR-I2C, Configurable to Control any Supply State and Processor Cores Supply Voltage
  • Thermal Shutdown Protection and Hot-Die Detection
  • An RTC Resource With:
    • Oscillator for 32.768-kHz Crystal or 32-kHz Built-in RC Oscillator
    • Date, Time, and Calendar
    • Alarm Capability
  • One Configurable GPIO
  • DC-DC Switching Synchronization Through Internal or External 3-MHz Clock
  • Embedded Power Controller
  • Two Efficient Step-Down DC-DC Converters for Processor Cores
  • One Efficient Step-Down DC-DC Converter for I/O Power
  • One Efficient Step-Up 5-V DC-DC Converter
  • SmartReflex Compliant Dynamic Voltage Management for Processor Cores
  • 8 LDO Voltage Regulators and One Real-Time Clock (RTC) LDO (Internal Purpose)
  • One High-Speed I2C Interface for General-Purpose Control Commands (CTL-I2C)
  • One High-Speed I2C Interface for SmartReflex Class 3 Control and Command (SR-I2C)
  • Two Enable Signals Multiplexed with SR-I2C, Configurable to Control any Supply State and Processor Cores Supply Voltage
  • Thermal Shutdown Protection and Hot-Die Detection
  • An RTC Resource With:
    • Oscillator for 32.768-kHz Crystal or 32-kHz Built-in RC Oscillator
    • Date, Time, and Calendar
    • Alarm Capability
  • One Configurable GPIO
  • DC-DC Switching Synchronization Through Internal or External 3-MHz Clock

Description

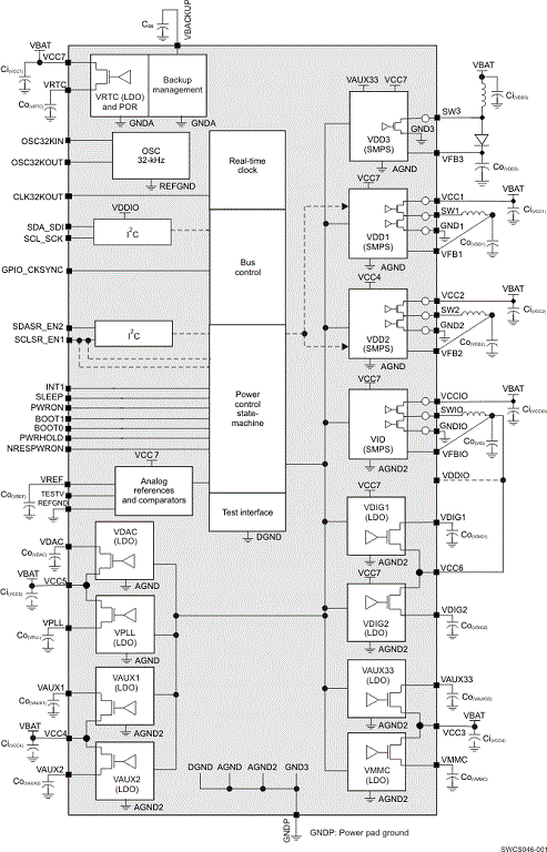
The TPS65910 device is an integrated power-management IC available in 48-QFN package and dedicated to applications powered by one Li-Ion or Li-Ion polymer battery cell or 3-series Ni-MH cells, or by a 5-V input; it requires multiple power rails. The device provides three step-down converters, one step-up converter, and eight LDOs and is designed to support the specific power requirements of OMAP-based applications.

Two of the step-down converters provide power for dual processor cores and are controllable by a dedicated class-3 SmartReflex interface for optimum power savings. The third converter provides power for the I/Os and memory in the system.

The device includes eight general-purpose LDOs providing a wide range of voltage and current capabilities. The LDOs are fully controllable by the I2C interface. The use of the LDOs is flexible; they are intended to be used as follows: Two LDOs are designated to power the PLL and video DAC supply rails on the OMAP-based processors, four general-purpose auxiliary LDOs are available to provide power to other devices in the system, and two LDOs are provided to power DDR memory supplies in applications requiring these memories.

In addition to the power resources, the device contains an embedded power controller (EPC) to manage the power sequencing requirements of the OMAP systems and an RTC.

The TPS65910 device is an integrated power-management IC available in 48-QFN package and dedicated to applications powered by one Li-Ion or Li-Ion polymer battery cell or 3-series Ni-MH cells, or by a 5-V input; it requires multiple power rails. The device provides three step-down converters, one step-up converter, and eight LDOs and is designed to support the specific power requirements of OMAP-based applications.

Two of the step-down converters provide power for dual processor cores and are controllable by a dedicated class-3 SmartReflex interface for optimum power savings. The third converter provides power for the I/Os and memory in the system.

The device includes eight general-purpose LDOs providing a wide range of voltage and current capabilities. The LDOs are fully controllable by the I2C interface. The use of the LDOs is flexible; they are intended to be used as follows: Two LDOs are designated to power the PLL and video DAC supply rails on the OMAP-based processors, four general-purpose auxiliary LDOs are available to provide power to other devices in the system, and two LDOs are provided to power DDR memory supplies in applications requiring these memories.

In addition to the power resources, the device contains an embedded power controller (EPC) to manage the power sequencing requirements of the OMAP systems and an RTC.

Subscribe to Welllinkchips !
Your Name
* Email
Submit a request