0
TPS65137AS
  • TPS65137AS
  • TPS65137AS

TPS65137AS

ACTIVE

250mA Dual Outputs AMOLED Display Power Supply

Texas Instruments TPS65137AS Product Info

1 April 2026 1

Parameters

Display type

AMOLED

IC integration

AMOLED bias

Vin (min) (V)

2.5

Vin (max) (V)

4.8

Applications

7 inches or less

Level shifter/scan driver (Ch)

0

V_POS (min) (V)

4.6

V_POS (max) (V)

4.6

V_NEG (min) (V)

-5.2

V_NEG (max) (V)

-2.2

Features

Digital control interface

Topology

Boost, Inverting Buck-Boost

Rating

Catalog

Operating temperature range (°C)

-40 to 85

Package

WSON (DSC)-10-9 mm² 3 x 3

Features

  • 2.5 V to 4.8 V Input Voltage Range
  • 0.8% Output Voltage Accuracy VPOS
  • Excellent Line Transient Regulation
  • 250 mA Output Current
  • Fixed 4.6 V VPOS Output Voltage
  • Digitally Programmable VNEG, –2.2V to –5.2V
  • –4.9V Default Value for VNEG
  • Short Circuit Protection
  • Thermal Shutdown
  • 3mm × 3mm 10-Pin QFN Package
  • 2.5 V to 4.8 V Input Voltage Range
  • 0.8% Output Voltage Accuracy VPOS
  • Excellent Line Transient Regulation
  • 250 mA Output Current
  • Fixed 4.6 V VPOS Output Voltage
  • Digitally Programmable VNEG, –2.2V to –5.2V
  • –4.9V Default Value for VNEG
  • Short Circuit Protection
  • Thermal Shutdown
  • 3mm × 3mm 10-Pin QFN Package

Description

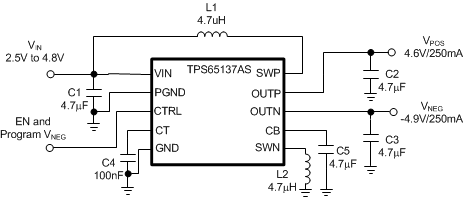
The TPS65137AS is designed to drive AMOLED displays (Active Matrix Organic Light Emitting Diode) requiring positive and negative voltage supply rails. The device integrates a boost converter with LDO post regulator and an inverting buckboost converter suitable for battery operated products. The digital control pin (CTRL) allows programming the negative output voltage in digital steps. The TPS65137AS uses a novel technology enabling excellent line and load regulation. This is required to avoid disturbance of the AMOLED display by the input voltage disturbances occurring during transmit periods in mobile phones.

The TPS65137AS is designed to drive AMOLED displays (Active Matrix Organic Light Emitting Diode) requiring positive and negative voltage supply rails. The device integrates a boost converter with LDO post regulator and an inverting buckboost converter suitable for battery operated products. The digital control pin (CTRL) allows programming the negative output voltage in digital steps. The TPS65137AS uses a novel technology enabling excellent line and load regulation. This is required to avoid disturbance of the AMOLED display by the input voltage disturbances occurring during transmit periods in mobile phones.

Subscribe to Welllinkchips !
Your Name
* Email
Submit a request