0
TPS62000
  • TPS62000
  • TPS62000
  • TPS62000

TPS62000

ACTIVE

Adjustable, 600-mA, 95% Efficient Step-Down Converter

Texas Instruments TPS62000 Product Info

1 April 2026 1

Parameters

Rating

Catalog

Topology

Buck

Iout (max) (A)

0.6

Vin (max) (V)

5.5

Vin (min) (V)

2

Vout (max) (V)

5

Vout (min) (V)

0.9

Features

Adjustable current limit, Enable, Frequency synchronization, Light Load Efficiency, Light load efficiency, Power good, Synchronous Rectification

Control mode

current mode

Operating temperature range (°C)

-40 to 85

Iq (typ) (A)

0.00005

Duty cycle (max) (%)

100

Package

VSSOP (DGS)-10-14.7 mm² 3 x 4.9

Features

  • High-Efficiency Synchronous Step-Down
    Converter with More than 95% Efficiency
  • 2-V to 5.5-V Operating Input Voltage Range
  • Adjustable Output Voltage Range From 0.8 V to
    VIN
  • Fixed Output Voltage Options Available in 0.9 V,
    1 V, 1.2 V, 1.5 V, 1.8 V, 1.9 V, 2.5 V, and 3.3 V
  • Synchronizable to External Clock Signal up to
    1 MHz
  • Up to 600 mA Output Current
  • Pin-Programmable Current Limit
  • High Efficiency Over a Wide Load Current Range
    in Power Save Mode
  • 100% Maximum Duty Cycle for Lowest Dropout
  • Low-Noise Operation Antiringing Switch and
    PFM/PWM Operation Mode
  • Internal Softstart
  • 50-µA Quiescent Current (TYP)
  • Available in the 10-Pin Microsmall Outline
    Package (VSSOP)
  • Evaluation Module Available
  • High-Efficiency Synchronous Step-Down
    Converter with More than 95% Efficiency
  • 2-V to 5.5-V Operating Input Voltage Range
  • Adjustable Output Voltage Range From 0.8 V to
    VIN
  • Fixed Output Voltage Options Available in 0.9 V,
    1 V, 1.2 V, 1.5 V, 1.8 V, 1.9 V, 2.5 V, and 3.3 V
  • Synchronizable to External Clock Signal up to
    1 MHz
  • Up to 600 mA Output Current
  • Pin-Programmable Current Limit
  • High Efficiency Over a Wide Load Current Range
    in Power Save Mode
  • 100% Maximum Duty Cycle for Lowest Dropout
  • Low-Noise Operation Antiringing Switch and
    PFM/PWM Operation Mode
  • Internal Softstart
  • 50-µA Quiescent Current (TYP)
  • Available in the 10-Pin Microsmall Outline
    Package (VSSOP)
  • Evaluation Module Available

Description

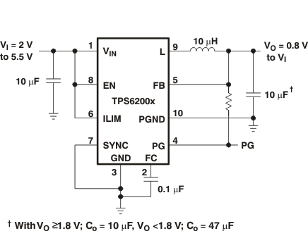
The TPS6200x devices are a family of low-noise synchronous step-down DC/DC converters that are ideally suited for systems powered from a 1-cell Li-ion battery or from a 2- to 3-cell NiCd, NiMH, or alkaline battery. The TPS6200x operates typically down to an input voltage of 1.8 V, with a specified minimum input voltage of 2 V.

The TPS62000 operates over a free-air temperature range of –40°C to 85°C.The device is available in the 10-pin (DGS) microsmall outline package (VSSOP).

The TPS6200x devices are a family of low-noise synchronous step-down DC/DC converters that are ideally suited for systems powered from a 1-cell Li-ion battery or from a 2- to 3-cell NiCd, NiMH, or alkaline battery. The TPS6200x operates typically down to an input voltage of 1.8 V, with a specified minimum input voltage of 2 V.

The TPS62000 operates over a free-air temperature range of –40°C to 85°C.The device is available in the 10-pin (DGS) microsmall outline package (VSSOP).

Subscribe to Welllinkchips !
Your Name
* Email
Submit a request