0
TPS43336-Q1
  • TPS43336-Q1
  • TPS43336-Q1

TPS43336-Q1

ACTIVE

Automotive 2V to 40V Single Boost & Dual Synchronous Buck Controller with Freq. Spread Spectrum

Texas Instruments TPS43336-Q1 Product Info

1 April 2026 0

Parameters

Processor supplier

Generic

Processor name

Generic

Product type

Microcontrollers

Regulated outputs (#)

3

Step-down DC/DC converter

0

Step-up DC/DC converter

0

LDO

0

Vin (min) (V)

2

Vin (max) (V)

40

Vout (min) (V)

0.9

Vout (max) (V)

11

Iout (max) (A)

3

Features

Enable, Overcurrent protection, Power good, Synchronous rectification, Thermal shutdown, UVLO fixed

Rating

Automotive

Operating temperature range (°C)

-40 to 125

Step-down DC/DC controller

2

Step-up DC/DC controller

1

Iq (typ) (mA)

0.03

Switching frequency (max) (kHz)

600

Shutdown current (ISD) (typ) (µA)

3

Package

HTSSOP (DAP)-38-101.25 mm² 12.5 x 8.1

Features

  • Qualified for Automotive Applications
  • AEC-Q100 Test Guidance With the Following
    Results:
    • Device Temperature Grade 1: –40°C to 125°C
      Ambient Operating Temperature
    • Device HBM ESD Classification Level H2
    • Device CDM ESD Classification Level C2
  • Two Synchronous Buck Controllers
  • One Pre-Boost Controller
  • Input Range up to 40 V, (Transients up to 60 V),
    Operation Down to 2 V When Boost is Enabled
  • Low-Power-Mode IQ: 30 µA (One Buck On), 35 µA
    (Two Bucks On)
  • Low Shutdown Current Ish < 4 µA
  • Buck Output Range 0.9 V to 11 V
  • Boost Output Selectable: 7 V, 10 V, or 11 V
  • Programmable Frequency and External
    Synchronization Range 150 kHz to 600 kHz
  • Separate Enable Inputs (ENA, ENB)
  • Frequency Spread Spectrum (TPS43336-Q1)
  • Selectable Forced Continuous Mode or Automatic
    Low-Power Mode at Light Loads
  • Sense Resistor or Inductor DCR Sensing
  • Out-of-Phase Switching Between Buck Channels
  • Peak Gate-Drive Current 0.7 A
  • Thermally Enhanced 38-Pin HTSSOP (DAP)
    PowerPAD™ Package
  • Qualified for Automotive Applications
  • AEC-Q100 Test Guidance With the Following
    Results:
    • Device Temperature Grade 1: –40°C to 125°C
      Ambient Operating Temperature
    • Device HBM ESD Classification Level H2
    • Device CDM ESD Classification Level C2
  • Two Synchronous Buck Controllers
  • One Pre-Boost Controller
  • Input Range up to 40 V, (Transients up to 60 V),
    Operation Down to 2 V When Boost is Enabled
  • Low-Power-Mode IQ: 30 µA (One Buck On), 35 µA
    (Two Bucks On)
  • Low Shutdown Current Ish < 4 µA
  • Buck Output Range 0.9 V to 11 V
  • Boost Output Selectable: 7 V, 10 V, or 11 V
  • Programmable Frequency and External
    Synchronization Range 150 kHz to 600 kHz
  • Separate Enable Inputs (ENA, ENB)
  • Frequency Spread Spectrum (TPS43336-Q1)
  • Selectable Forced Continuous Mode or Automatic
    Low-Power Mode at Light Loads
  • Sense Resistor or Inductor DCR Sensing
  • Out-of-Phase Switching Between Buck Channels
  • Peak Gate-Drive Current 0.7 A
  • Thermally Enhanced 38-Pin HTSSOP (DAP)
    PowerPAD™ Package

Description

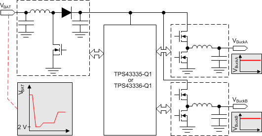
The TPS43335-Q1 and TPS43336-Q1 include two current-mode synchronous buck controllers and a voltage-mode boost controller. The devices are ideally suited as a pre-regulator stage with low Iq requirements and for applications that must survive supply drops due to cranking events. The integrated boost controller allows the devices to operate down to 2 V at the input without seeing a drop on the buck regulator output stages. At light loads, one can enable the buck controllers to operate automatically in low-power mode, consuming just 30 µA of quiescent current.

The buck controllers have independent soft-start capability and power-good indicators. Current foldback in the buck controllers and cycle-by-cycle current limitation in the boost controller provide external MOSFET protection. One can program the switching frequency over 150 kHz to 600 kHz or synchronize it to an external clock in the same range. Additionally, the TPS43336-Q1 offers frequency-hopping spread-spectrum operation.

The TPS43335-Q1 and TPS43336-Q1 include two current-mode synchronous buck controllers and a voltage-mode boost controller. The devices are ideally suited as a pre-regulator stage with low Iq requirements and for applications that must survive supply drops due to cranking events. The integrated boost controller allows the devices to operate down to 2 V at the input without seeing a drop on the buck regulator output stages. At light loads, one can enable the buck controllers to operate automatically in low-power mode, consuming just 30 µA of quiescent current.

The buck controllers have independent soft-start capability and power-good indicators. Current foldback in the buck controllers and cycle-by-cycle current limitation in the boost controller provide external MOSFET protection. One can program the switching frequency over 150 kHz to 600 kHz or synchronize it to an external clock in the same range. Additionally, the TPS43336-Q1 offers frequency-hopping spread-spectrum operation.

Subscribe to Welllinkchips !
Your Name
* Email
Submit a request