0
TPS27081A
  • TPS27081A
  • TPS27081A

TPS27081A

ACTIVE

8-V, 3-A, 44-mΩ load switch with adj. rise time

Texas Instruments TPS27081A Product Info

1 April 2026 0

Parameters

Imax (A)

3

Vin (max) (V)

8

Vin (min) (V)

1.2

Number of channels

1

Features

Inrush current control

Quiescent current (Iq) (typ) (µA)

0.03

Soft start

Adjustable Rise Time

Rating

Catalog

Ron (typ) (mΩ)

32

Shutdown current (ISD) (typ) (µA)

0.03

Current limit type

None

Function

Inrush current control

FET

Internal

Operating temperature range (°C)

-40 to 85

Device type

Load switches

Package

SOT-23-THN (DDC)-6-8.12 mm² 2.9 x 2.8

Features

  • Low ON-Resistance, High-Current PFET
    • RDS(on) = 32 mΩ at VGS = –4.5 V
    • RDS(on) = 44 mΩ at VGS = –3 V
    • RDS(on) = 82 mΩ at VGS = –1.8 V
    • RDS(on) = 93 mΩ at VGS = –1.5 V
    • RDS(on) = 155 mΩ at VGS = –1.2 V
  • Adjustable Turnon and Turnoff Slew Rate Control
    Through External R1, R2, and C1
  • Supports a Wide Range of 1.2-V to 8-V Supply
    Inputs
  • Integrated NMOS for PFET Control
  • NMOS ON/OFF Supports a Wide Range of 1-V to
    8-V Control Logic Interface
  • Full ESD Protection (All Pins)
    • HBM 2 kV, CDM 500 V
  • Ultra-Low Leakage Current in Standby (Typical
    100 nA)
  • Available in Tiny 6-Pin Package
    • 2.9 mm × 2.8 mm × 0.75 mm SOT (DDC)
  • Low ON-Resistance, High-Current PFET
    • RDS(on) = 32 mΩ at VGS = –4.5 V
    • RDS(on) = 44 mΩ at VGS = –3 V
    • RDS(on) = 82 mΩ at VGS = –1.8 V
    • RDS(on) = 93 mΩ at VGS = –1.5 V
    • RDS(on) = 155 mΩ at VGS = –1.2 V
  • Adjustable Turnon and Turnoff Slew Rate Control
    Through External R1, R2, and C1
  • Supports a Wide Range of 1.2-V to 8-V Supply
    Inputs
  • Integrated NMOS for PFET Control
  • NMOS ON/OFF Supports a Wide Range of 1-V to
    8-V Control Logic Interface
  • Full ESD Protection (All Pins)
    • HBM 2 kV, CDM 500 V
  • Ultra-Low Leakage Current in Standby (Typical
    100 nA)
  • Available in Tiny 6-Pin Package
    • 2.9 mm × 2.8 mm × 0.75 mm SOT (DDC)

Description

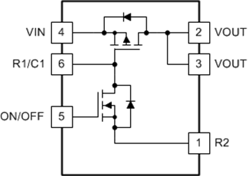
The TPS27081A device is a high-side load switch that integrates a Power PFET and a Control NFET in a tiny package.

The TPS27081A features industry-standard ESD protection on all pins providing better ESD compatibility with other onboard components.

The TPS27081A level shifts ON/OFF logic signal to VIN levels and supports as low as 1-V CPU or MCU logic to control higher voltage power supplies without requiring an external level-shifter.

Switching a large value output capacitor CL through a fast ON/OFF logic signal may result in an excessive inrush current. To control the load inrush current, connect a resistor R2 and add an external capacitor C1 as shown in the Simplified Schematic. To configure the TPS27081A to achieve a specific slew rate, refer to the Application and Implementation section.

A single pullup resistor R1 is required in standby power switch applications. In such applications connect the R2 pin of the TPS27081A to the system ground when inrush current control is not required.

The TPS27081A device is a high-side load switch that integrates a Power PFET and a Control NFET in a tiny package.

The TPS27081A features industry-standard ESD protection on all pins providing better ESD compatibility with other onboard components.

The TPS27081A level shifts ON/OFF logic signal to VIN levels and supports as low as 1-V CPU or MCU logic to control higher voltage power supplies without requiring an external level-shifter.

Switching a large value output capacitor CL through a fast ON/OFF logic signal may result in an excessive inrush current. To control the load inrush current, connect a resistor R2 and add an external capacitor C1 as shown in the Simplified Schematic. To configure the TPS27081A to achieve a specific slew rate, refer to the Application and Implementation section.

A single pullup resistor R1 is required in standby power switch applications. In such applications connect the R2 pin of the TPS27081A to the system ground when inrush current control is not required.

Subscribe to Welllinkchips !
Your Name
* Email
Submit a request