0
TPA3132D2
  • TPA3132D2
  • TPA3132D2

TPA3132D2

ACTIVE

25-W stereo, 50-W mono, 4.5- to 26-V supply, analog input Class-D audio amplifier w/ filter free

Texas Instruments TPA3132D2 Product Info

1 April 2026 1

Parameters

Audio input type

Analog Input

Architecture

Class-D

Speaker channels (max)

Stereo

Control interface

Hardware

Output power (W)

25

Power stage supply (max) (V)

26

Power stage supply (min) (V)

4.5

RDS(on) (Ω)

0.12

THD + N at 1 kHz (%)

0.1

Load (min) (Ω)

2

Analog supply voltage (min) (V)

4.5

Analog supply voltage (max) (V)

26

Rating

Catalog

Operating temperature range (°C)

-40 to 85

Package

VQFN (RHB)-32-25 mm² 5 x 5

Features

  • Supports Multiple Output Configurations
    • 2 × 4 W into a 8-Ω BTL Load at 7.4 V (TPA3131D2)
    • 2 × 25 W into a 8-Ω BTL Load at 19 V (TPA3132D2)
  • Wide Voltage Range: 4.5 V to 26 V
  • Automotive Load-Dump Compliant
  • Efficient Class-D Operation
    • >90% Power Efficiency Combined With Low Idle Loss
      for Heat Sink free Operation
    • Advanced Modulation Schemes
  • Multiple Switching Frequencies
    • AM Avoidance
    • Master and Slave Synchronization
    • Up to 1.2-MHz Switching Frequency
  • Feedback Power Stage Architecture With High PSRR Reduces
    PSU Requirements
  • Programmable Power Limit
  • Differential and Single-Ended Inputs
  • Stereo and Mono Mode With Single-Filter Mono Configuration
  • Single Power Supply Reduces Component Count
  • Integrated Self-Protection Circuits Including Overvoltage, Undervoltage,
    Overtemperature, DC-Detect, and Short Circuit With Error Reporting
  • Thermally Enhanced Package
    • 32-Pin VQFN Pad-Down
  • –40°C to 85°C Ambient Temperature Range
  • Supports Multiple Output Configurations
    • 2 × 4 W into a 8-Ω BTL Load at 7.4 V (TPA3131D2)
    • 2 × 25 W into a 8-Ω BTL Load at 19 V (TPA3132D2)
  • Wide Voltage Range: 4.5 V to 26 V
  • Automotive Load-Dump Compliant
  • Efficient Class-D Operation
    • >90% Power Efficiency Combined With Low Idle Loss
      for Heat Sink free Operation
    • Advanced Modulation Schemes
  • Multiple Switching Frequencies
    • AM Avoidance
    • Master and Slave Synchronization
    • Up to 1.2-MHz Switching Frequency
  • Feedback Power Stage Architecture With High PSRR Reduces
    PSU Requirements
  • Programmable Power Limit
  • Differential and Single-Ended Inputs
  • Stereo and Mono Mode With Single-Filter Mono Configuration
  • Single Power Supply Reduces Component Count
  • Integrated Self-Protection Circuits Including Overvoltage, Undervoltage,
    Overtemperature, DC-Detect, and Short Circuit With Error Reporting
  • Thermally Enhanced Package
    • 32-Pin VQFN Pad-Down
  • –40°C to 85°C Ambient Temperature Range

Description

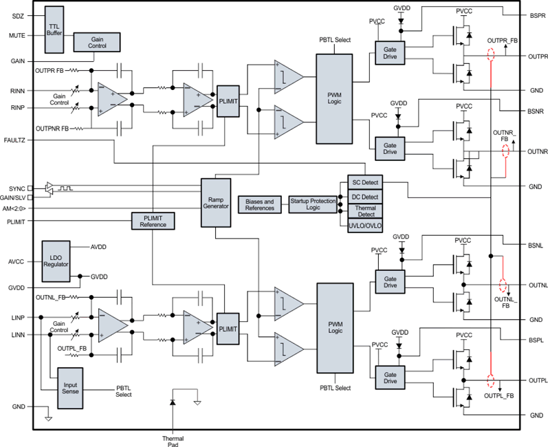
The TPA313xD2 are efficient, stereo digital amplifier power stages for driving speakers with up to 2×42W/4Ω peak power. TPA3131/32D2 operates heatsink-free with cooling to PCB through the bottom side PowerPAD with sustained output power from 2 × 4 W / 8 Ω (TPA3131D2) to 2 × 25 W / 8 Ω (TPA3132D2).

The TPA313xD2 advanced oscillator/PLL circuit employs a multiple switching frequency option to avoid AM interferences; this is achieved together with an option of Master and Slave synchronization, making it possible to synchronize multiple devices.

The TPA313xD2 are fully protected against faults with short-circuit protection and thermal protection as well as overvoltage, undervoltage, and DC protection. Faults are reported back to the processor to prevent devices from being damaged during overload conditions.

For feature compatible devices see: PowerPAD up device 2 × 50-W TPA3116D2, PowerPAD down 2 × 15-W TPA3130D2 and 2 × 30-W TPA3118D2.

The TPA313xD2 are efficient, stereo digital amplifier power stages for driving speakers with up to 2×42W/4Ω peak power. TPA3131/32D2 operates heatsink-free with cooling to PCB through the bottom side PowerPAD with sustained output power from 2 × 4 W / 8 Ω (TPA3131D2) to 2 × 25 W / 8 Ω (TPA3132D2).

The TPA313xD2 advanced oscillator/PLL circuit employs a multiple switching frequency option to avoid AM interferences; this is achieved together with an option of Master and Slave synchronization, making it possible to synchronize multiple devices.

The TPA313xD2 are fully protected against faults with short-circuit protection and thermal protection as well as overvoltage, undervoltage, and DC protection. Faults are reported back to the processor to prevent devices from being damaged during overload conditions.

For feature compatible devices see: PowerPAD up device 2 × 50-W TPA3116D2, PowerPAD down 2 × 15-W TPA3130D2 and 2 × 30-W TPA3118D2.

Subscribe to Welllinkchips !
Your Name
* Email
Submit a request