0
TPA3118D2
  • TPA3118D2
  • TPA3118D2

TPA3118D2

ACTIVE

30-W stereo, 60-W mono, 4.5- to 26-V supply, analog input Class-D audio amplifier

Texas Instruments TPA3118D2 Product Info

1 April 2026 0

Parameters

Audio input type

Analog Input

Architecture

Class-D

Speaker channels (max)

Stereo

Control interface

Hardware

Output power (W)

50

Power stage supply (max) (V)

26

Power stage supply (min) (V)

4.5

RDS(on) (Ω)

0.12

THD + N at 1 kHz (%)

0.1

Load (min) (Ω)

4

Analog supply voltage (min) (V)

4.5

Analog supply voltage (max) (V)

26

Rating

Catalog

Operating temperature range (°C)

-40 to 85

Package

HTSSOP (DAP)-32-89.1 mm² 11 x 8.1

Features

  • Supports Multiple Output Configurations
    • 2 × 50 W Into a 4-Ω BTL Load at 21 V (TPA3116D2)
    • 2 × 30 W Into a 8-Ω BTL Load at 24 V (TPA3118D2)
    • 2 × 15 W Into a 8-Ω BTL Load at 15 V (TPA3130D2)
  • Wide Voltage Range: 4.5 V to 26 V
  • Efficient Class-D Operation
    • >90% Power Efficiency Combined With Low Idle Loss Greatly Reduces Heat Sink Size
    • Advanced Modulation Schemes
  • Multiple Switching Frequencies
    • AM Avoidance
    • Master and Slave Synchronization
    • Up to 1.2-MHz Switching Frequency
  • Feedback Power-Stage Architecture With High PSRR Reduces PSU Requirements
  • Programmable Power Limit
  • Differential and Single-Ended Inputs
  • Stereo and Mono Mode With Single-Filter Mono Configuration
  • Single Power Supply Reduces Component Count
  • Integrated Self-Protection Circuits Including Overvoltage, Undervoltage, Overtemperature, DC-Detect, and Short Circuit With Error Reporting
  • Thermally Enhanced Packages
    • DAD (32-Pin HTSSOP Pad Up)
    • DAP (32-Pin HTSSOP Pad Down)
  • –40°C to 85°C Ambient Temperature Range
  • Supports Multiple Output Configurations
    • 2 × 50 W Into a 4-Ω BTL Load at 21 V (TPA3116D2)
    • 2 × 30 W Into a 8-Ω BTL Load at 24 V (TPA3118D2)
    • 2 × 15 W Into a 8-Ω BTL Load at 15 V (TPA3130D2)
  • Wide Voltage Range: 4.5 V to 26 V
  • Efficient Class-D Operation
    • >90% Power Efficiency Combined With Low Idle Loss Greatly Reduces Heat Sink Size
    • Advanced Modulation Schemes
  • Multiple Switching Frequencies
    • AM Avoidance
    • Master and Slave Synchronization
    • Up to 1.2-MHz Switching Frequency
  • Feedback Power-Stage Architecture With High PSRR Reduces PSU Requirements
  • Programmable Power Limit
  • Differential and Single-Ended Inputs
  • Stereo and Mono Mode With Single-Filter Mono Configuration
  • Single Power Supply Reduces Component Count
  • Integrated Self-Protection Circuits Including Overvoltage, Undervoltage, Overtemperature, DC-Detect, and Short Circuit With Error Reporting
  • Thermally Enhanced Packages
    • DAD (32-Pin HTSSOP Pad Up)
    • DAP (32-Pin HTSSOP Pad Down)
  • –40°C to 85°C Ambient Temperature Range

Description

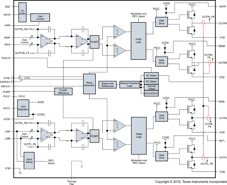
The TPA31xxD2 series are stereo efficient, digital amplifier power stage for driving speakers up to 100 W / 2 Ω in mono. The high efficiency of the TPA3130D2 allows it to do 2 × 15 W without external heat sink on a single layer PCB. The TPA3118D2 can even run 2 × 30 W / 8 Ω without heat sink on a dual layer PCB. If even higher power is needed the TPA3116D2 does 2 × 50 W / 4 Ω with a small heat-sink attached to its top side PowerPAD. All three devices share the same footprint enabling a single PCB to be used across different power levels.

The TPA31xxD2 advanced oscillator/PLL circuit employs a multiple switching frequency option to avoid AM interferences; this is achieved together with an option of either master or slave option, making it possible to synchronize multiple devices.

The TPA31xxD2 devices are fully protected against faults with short-circuit protection and thermal protection as well as overvoltage, undervoltage, and DC protection. Faults are reported back to the processor to prevent devices from being damaged during overload conditions.

The TPA31xxD2 series are stereo efficient, digital amplifier power stage for driving speakers up to 100 W / 2 Ω in mono. The high efficiency of the TPA3130D2 allows it to do 2 × 15 W without external heat sink on a single layer PCB. The TPA3118D2 can even run 2 × 30 W / 8 Ω without heat sink on a dual layer PCB. If even higher power is needed the TPA3116D2 does 2 × 50 W / 4 Ω with a small heat-sink attached to its top side PowerPAD. All three devices share the same footprint enabling a single PCB to be used across different power levels.

The TPA31xxD2 advanced oscillator/PLL circuit employs a multiple switching frequency option to avoid AM interferences; this is achieved together with an option of either master or slave option, making it possible to synchronize multiple devices.

The TPA31xxD2 devices are fully protected against faults with short-circuit protection and thermal protection as well as overvoltage, undervoltage, and DC protection. Faults are reported back to the processor to prevent devices from being damaged during overload conditions.

Subscribe to Welllinkchips !
Your Name
* Email
Submit a request